셀러라이프
소싱라이프
정책자금
매뉴얼
입점/제휴문의
로그인
아이템 검색
찜 리스트
장바구니
수입대행 신청내역
나의 주문
로그인
수입대행 가이드
문의하기
상품 상세
이미지 선택
이미지로 검색
취소
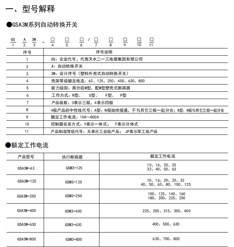
GSA3M 시리즈 자동 전환 스위치 Tianshui 213 전기 제조업체 직접 공급 정품 현물 재고 핫 세일
원문보기
가격
₩
1,284,000
가격
¥
4,280.00
구매수량별 가격
2
~
¥
4,280.00
최소구매수량
2개
모델
선택하세요.
GSA3M-63MR/4A 63 F
GSA3M-125MR/3 125 Y
GSA3M-250MF/3 250 Y
GSA3M-400MF/4A 400 Y
GSA3M-630MS/4B 630 Y
GSA3M-800MF/3 800
선택한 옵션
(장바구니)
예상 내륙운임비
/
총 상품금액(내륙운임 포함)
/
수입시 예상 금액
?
수입시 예상 금액이란?
물품대금 · 국제운임 · 검수 · 바코드 부착 · 관부가세까지 수입에 필요한 모든 비용이 포함되어 있습니다.
위시리스트
장바구니 담기
구매하기
관련상품
상품 상세설명
상품정보 제공고시
스위치 유형
자동 전환 스위치
상표
천수이 213
모델
GSA3M-800MF/3 800
제품 인증
CCC
3C 인증서 번호
2024010305674769
시리즈
GSA3M
배송/교환정보