관련상품
-
상품 상세설명
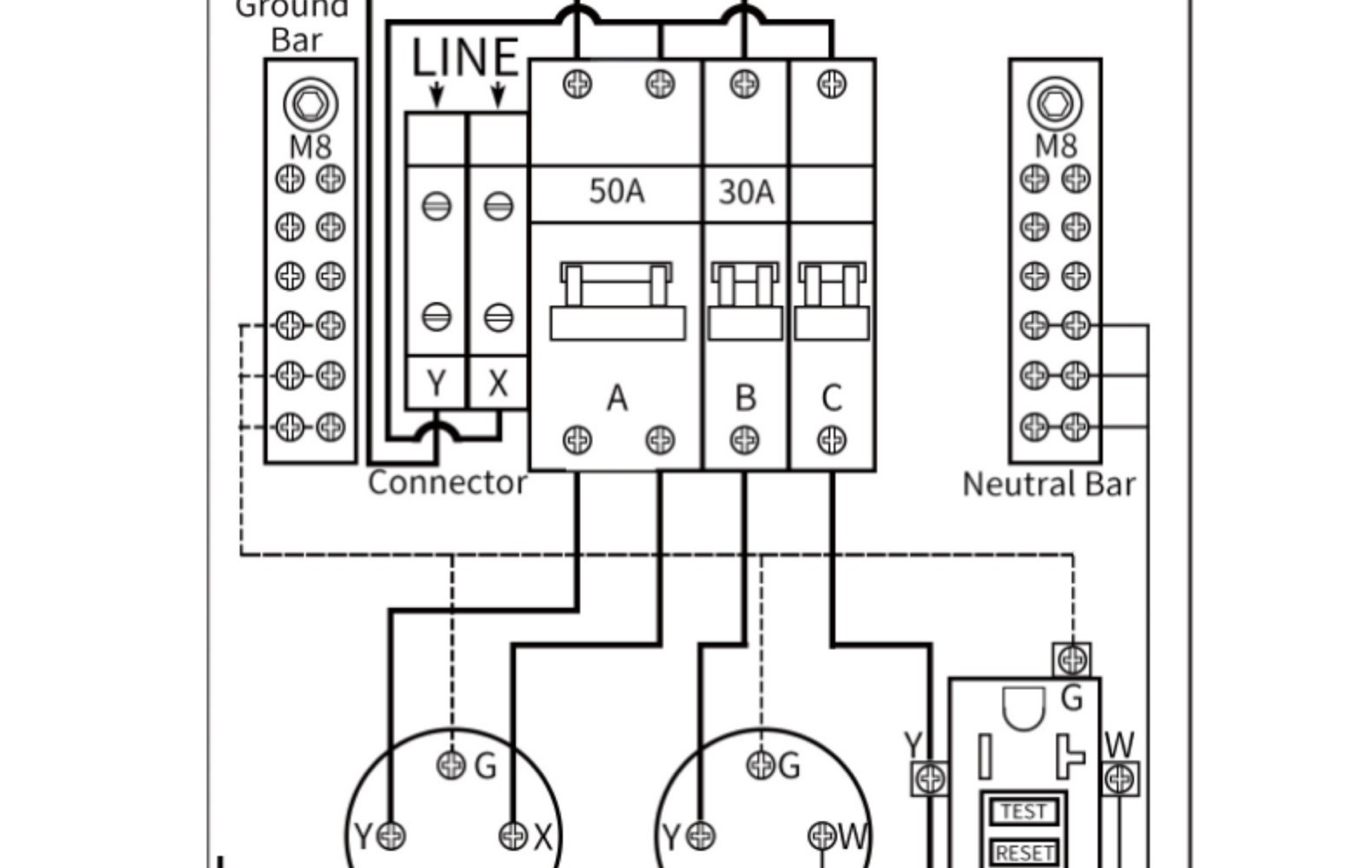
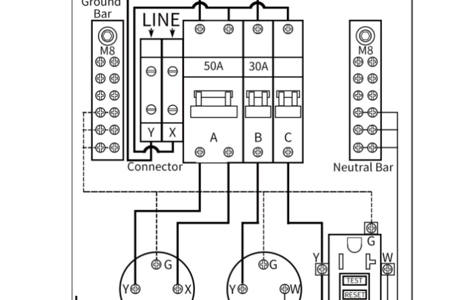
跨境电商热卖房车充电柜配电箱美式房车配电箱电机转换开关
1:16A电机转换开关 尺寸:4.12*4.12*2.15 In 功能:ON-OFF-ON 发电机切备用电源




2:POP 1 50A 125V 尺寸:21.5*19*17.5(mm)


2:POP 1 30A 125V 尺寸:21.5*19*17.5(mm)



3:POP3 50A+30A+20A 255*190*320(mm)



상품정보 제공고시
맞춤형 처리 아니요 상표 가메데 모델 1 적용 가능한 모델 모두 적용 모델 모두 지원 관계 지원하다 품목 번호 6 주요 다운스트림 플랫폼 LAZADA 주요 판매지역 중동 라이센스가 부여된 개인 상표가 있습니다. 아니요 국경 간 수출을 위한 독점 공급원인지 여부 예 공급원이 특허화되어 있나요? 아니요 사양 보호 장치가 없는 POP1 30A 재료 강철 -
배송/교환정보