관련상품
-
상품 상세설명

상품정보 제공고시
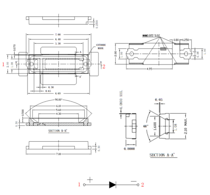
원산지 심천 수입 여부 아니요 브랜드 징 모델 7020UWC 치수 7020 힘 0.5 연색성 지수 70 광속 26-28 순방향 전압 3.2 역전압 5 정전기 고장 전압(ESD) 3 정격 전류 0.0 칩 브랜드 징위안 형광체 브랜드 가져오기 접착제 브랜드 가져오기 와이어 재질 금실 브래킷 재질 구리 조명 각도 120 발광 효율 26-18LM 색상 허용 오차 0.007 열저항 ≤10 최대 허용 접합 온도 220 전압 온도 계수 220 1000시간 정기 노화 10 6000시간 정기 노화 12 LM-80 테스트를 통과하는지 여부 예 색온도 범위 3000 6500 15000 관련 색온도 하얀 빛 -
배송/교환정보