관련상품
-
상품 상세설명


MODEL HP KW Full Speed
(Rpm)
COSΦ
P.F.
Eff
(%)
Voltage
(v)Current
(A)711-2 0.5 0.37 2780 0.82 82 400 0.8 712-2 0.75 0.55 2790 0.83 81 400 1.2 90L1-2 3 2.2 2820 0.86 78 400 4.9 90L2-2 4 3 2820 0.86 78 400 6.6 90L3-2 5 3.7 2820 0.80 83 400 8.6 100L1-2 4 3 2840 0.83 81 400 7 100L2-2 5.5 4 2850 0.86 82 400 8.5 100M1-2 5.5 4 2830 0.84 82 400 9.4 112M2-2 7.5 5.5 2840 0.85 83 400 11.7 132S1-2 7.5 5.5 2890 0.86 84 400 11.6 132S2-2 10 7.5 2900 0.86 84 400 15.4 132M1-2 15 11 2920 0.88 86 400 21.8 132M2-2 20 15 2920 0.88 86 400 29.3 160M1-2 20 15 2920 0.87 88 400 28 160M2-2 25 18.5 2920 0.87 89 400 34 160M3-2 30 22 2920 0.87 89.2 400 41 711-4 0.35 0.25 1370 0.73 64 400 0.8 712-4 0.5 0.37 1350 0.74 68 400 1.1 713-4 0.75 0.55 1350 0.75 66 400 1.6 90L1-4 2 1.5 1400 0.82 78 400 3.4 90L2-4 3 2.2 1400 0.79 77 400 5.4 90L3-4 3.5 2.6 1400 0.80 78 400 7.4 100L1-4 3 2.2 1400 0.80 81 400 5.1 100L2-4 4 3 1410 0.80 81 400 6.9 100L3-4 5.5 4 1420 0.80 82 400 9.4 100M1-4 6 4.4 1420 0.82 83 400 10 112M1-4 5.5 4 1420 0.80 83 400 9 112M2-4 7.5 5.5 1430 0.82 84 400 12.1 112M3-4 8.5 6.2 1425 0.82 84 400 13.5 112L-4 9.5 7 1430 0.80 85 400 13.8 132S1-4 7.5 5.5 1430 0.82 84 400 11.7 132S2-4 10 7.5 1430 0.84 84 400 15.4 132M1-4 12.5 9.2 1430 0.90 85 400 17.8 132M2-4 15 11 1430 0.90 87 400 21.3 132M3-4 17 12.5 1430 0.88 84 400 26 160M1-4 20 15 1450 0.86 89 400 29 160M2-4 25 18.5 1450 0.86 90 400 34 71-6 0.35 0.25 880 0.73 45 400 1.1 90L-6 1.5 1.1 910 0.72 72 400 3.2 100L-6 2 1.5 910 0.80 74 400 3.9 112M1-6 3 2.2 940 0.80 80 400 5 112M2-6 4 3 940 0.80 79 400 6.9 132S1-6 4 3 940 0.78 80 400 6.9 132S2-6 5.5 4 950 0.79 82 400 9 132M1-6 7.5 5.5 950 0.79 83 400 12.4 132M2-6 10 7.5 950 0.79 83 400 16.5 160M1-6 10 7.5 960 0.77 87 400 16.5 160M2-6 15 11 960 0.79 88 400 23 
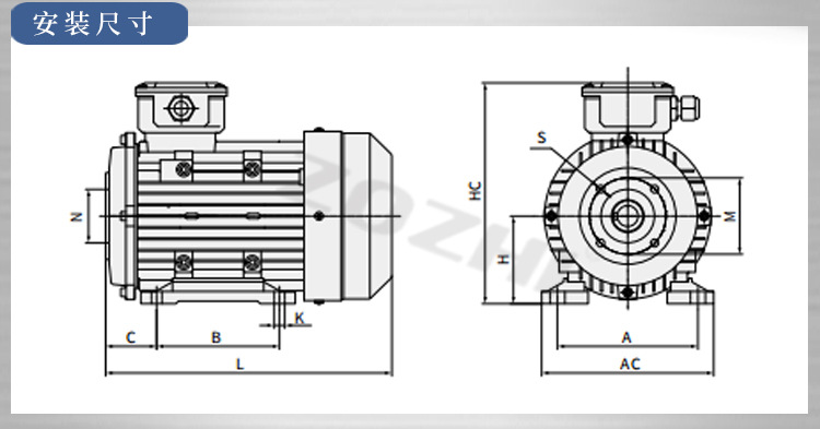
FRAME
SIZE
M N S A AC B H HC L K 71 75 90 7 112 180 90 71 184 217 7 90L 75/87 90/61 7/9 140 175 125 90 220 270 9.5 100L 75/87 90/61 7/9 160 196 140 100 240 315 11 112M 75/87 90/61 7/9 190 220 140 112 275 330 11 132S 87 61 9 216 254 140 132 320 370 12 132M 87 61 9 216 254 178 132 320 409 12 160M 87 61 9 254 310 210 160 410 498 14.5 

















상품정보 제공고시
브랜드 ZOZHI 제품 유형 3상 비동기 모터 제품 인증 ce 적용 범위 세탁기, 고압 펌프, 스프레이 시스템 3C 정격 전압 범위 AC 36V 이상, 1000V 이하 사양 7.5hp/5.5kw 적용 대상 기계 및 장비 -
배송/교환정보














