관련상품
-
상품 상세설명
产品照片 

产品介绍及特点 按式碰珠
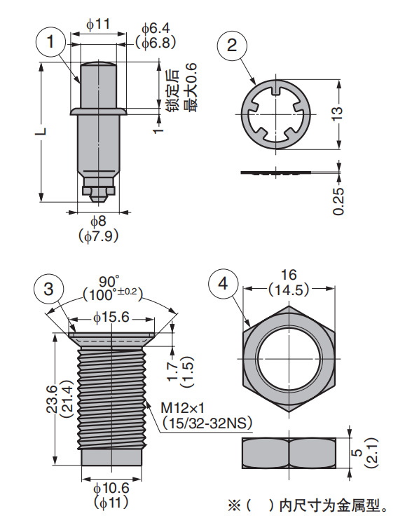
微型按钮式
255F, 155F●采用弹压式操作,锁定及解锁只需按压插头头部即可。●锁定及解锁均无需工具。●采用挡片锁定,振动时不易脱开。注意 ●使用时若将载荷直接作用在本体上,可能会造成损坏。详细尺寸图 






公司简介 武汉杰昇电子科技有限公司位于华中地区城市——武汉。我们致力于为客户提供的进口五金配件(结构件、紧固件)、进口电子元器件、仪器仪表、机械工具及用品等。
公司拥有多位多年外企大客户销售服务经验的管理人员以及技术支持团队,并与多家欧美原厂商保持紧密的合作伙伴关系。目前公司在五金配件方面主要代理()世界五金配件巨头日本sugatsune世嘉智尼LAMP蓝普;我司还代理法国阿贝APEM开关指示灯、美国雅固拉Accuride滑轨、美国实耐宝蓝点Blue-point工具、英国益升华Essentra五金结构件、丹阳华盛滑轨、德国申波菲勒密封条等。
无论客户的大小或者订单的大小,公司坚信给客户的服务。对于订单公司不设起订量,对于批量订单我们提供有竞争力的价格,同时满足研发和批量生产的需要。我们的技术人员总是能给客户提供合适的解决方案,程度地节省客户的时间和费用。同时不断地学习和了解新的技术和产品,不定期的传递给客户。公司相信快捷的交货、合理的价格、专业的技术支持定能得到客户的肯定。成为客户的合作伙伴!
杰昇电子,是您贴心的五金配件、电子元器件供应商!
联系方式 联系地址:湖北省武汉市洪山区光谷软件园E1栋406室
https://wuhanjiesheng.1688.com/
公司位置 我所在位置(武汉市洪山区关山大道光谷软件园)



상품정보 제공고시
재료 황동, 스테인리스강(SUS304), 아연 합금(ZDC), 폴리아세탈(POM) 브랜드 SUGATSUNE 램프 품목 번호 120-013-715、120-013-716、120-013-717 이름 LAMP 프레스형 범퍼 비드 255F형, 155F형 마이크로 버튼형 모델 155F-01-1、155F-03-1、155F-05-1、255F-01-3、255F-03-3 사양 255F-05-3 적용 범위 산업, 군사 산업, 의료, 환경 보호, 가구 액세서리 국경 간 수출 전용 공급 여부 아니요 스타일 현대적인 단순성 일반 납세자인가요? 예 장인정신 크롬 도금, 밝은 아연 도금, 검정색 -
배송/교환정보