관련상품
-
상품 상세설명
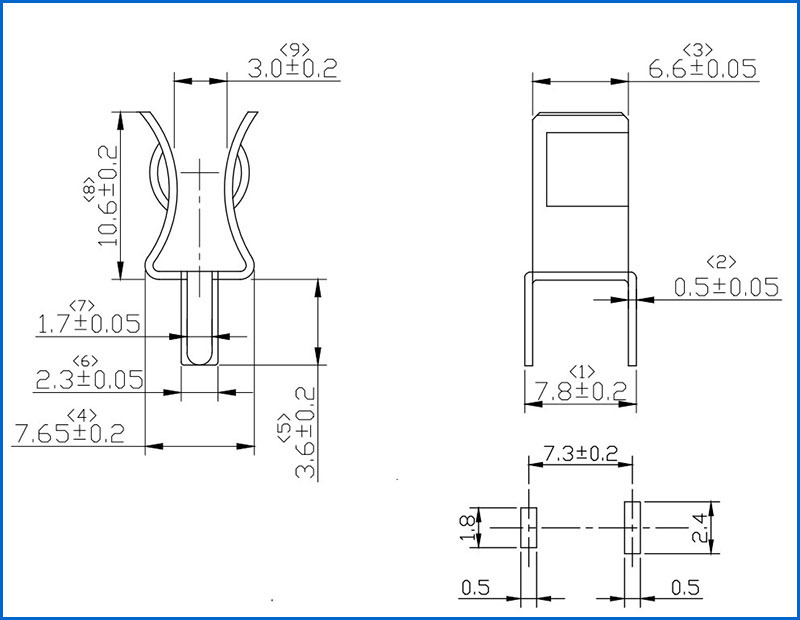
热销3AG黄铜镀镍保险丝座FS-601 6x30磷铜镀锡保险丝夹 30A 250V
P.S.: 开票另加税点,详细咨询客服!
我们有专门的五金事业部生产各类全系列保险丝夹、保险丝座、保险丝盒、保险丝支架、插片、端子、铜环、PCB焊接端子等。各类保险丝夹采用环保铜材冲压成形,弹性好,品质稳定,表面有镀镍、锡、银、金等供广大客户选用;保险丝座、保险丝盒、保险丝支架采用环保阻燃耐温料注塑成型。产品适用于3.6×10、5.2×20、6.3×30、10×38保险丝和大、中、小型插片式保险丝;现有几十种不同型号的系列产品,请登录我司网站查看具体型号、规格、尺寸及图片。并可根据客户要求按样品或图纸开模生产。


品名 保险丝夹 尺寸 3.6x10mm,5x20,6x30,大中小号,方形塑封,贴片2410等 材质 黄铜,磷铜,铍铜,H62,H65 镀层 镀锡,镀镍,镀银,镀金 负载 6.3A 250V,10A250V,15A250V,30A600V 形状 卧式,立式 





상품정보 제공고시
맞춤형 처리 예 항목 번호. FS-601 브랜드 아바트 모델 FS-601 유형 퓨즈 홀더 목적 전자 볼륨 미니어처 전압 특성 낮은 전압 모양 플랫 헤드 관형 융합 속도 T/느린 구현 표준 미국 표준 자동 리셋 기능 없음 최대 전압 250 최대 전류 30 현재 보유 10 동작 온도 -40-105 온도 제어 범위 -40-125 주요 하류 플랫폼 라자다 주요 판매 지역 중동 개인 브랜드를 승인 예 국경 간 수출이 독점적으로 가능한지 여부 예 신청 분야 전기 및 전기 -
배송/교환정보