관련상품
-
상품 상세설명

惠州市菲奇电子科技有限公司专注石英晶振,频率元件的生产与研发。在消费者当中享有较高的地位,公司与多家零售商和代理商建立了长期稳定的合作关系。惠州市菲奇电子科技的品种齐全、价格合理。公司实力雄厚,重信用、守合同、保证产品质量,以多品种经营特色和薄利多销的原则,赢得了广大客户的信任。
调整频差:10PPM,20PPM,产品均已通过环保认证(SGS)。因为我司选用原材料要求比较苛刻,所以产品具有高精度,低损耗,性能特别稳定,温度稳定性及各项电气指标已经远远超过同行业标准。我们始终相信“高要求、高品质、大限度满足客户的要求是我们的追求”!
技术标准:严格执行标准,不采用劣质原材料,从根本上不同于市场上的低价产品,可以与各个国际品牌的IC进行配套,不存在匹配性的误差和隐患!
包装说明:1000PCS/包,20000PCS/盒,10盒/箱
焊接方式:可满足手焊、回流焊、波峰焊等各种焊接的温度要求。
打字说明:可以按照客户要求进行激光打字,需要提前7天预约,保证按时交货。环保:所有材料均符合欧盟环保要求。

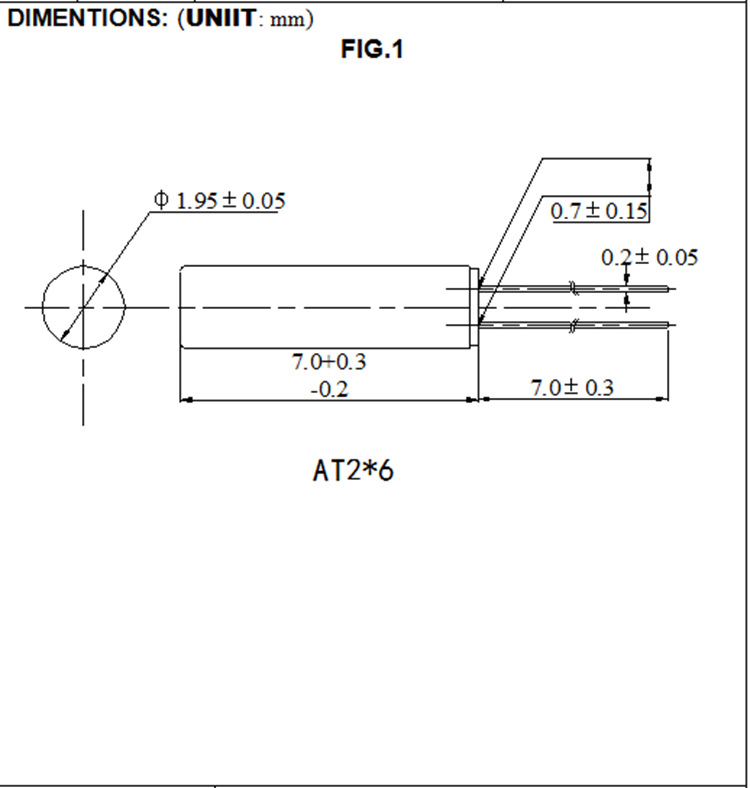
圆柱形直插无源石英晶振
型号:AT2*6
尺寸:2.0*6.0mm产品介绍:2*6圆柱晶振具有超小型,质地轻的晶体谐振器,应用于时钟模块,智能手机,全球定位系统等.因产品本身体积小,被广泛应用到各种小巧的便携式消费电子数码产品,环保性能符合ROHS/无铅标准





车间一角


![X([Y_~`9KP4[M@CJADE]ONP](https://cbu01.alicdn.com/img/ibank/2014/170/150/1302051071_739629596.jpg)






상품정보 제공고시
브랜드 FQ 작동 온도 -20~+70℃ 차원 2*6mm 임피던스 40Ω 제품 사양 2*6 -
배송/교환정보