관련상품
-
상품 상세설명
【发票说明】
本店标价都是不包括税点;开票另加税点,详细咨询客服!


1、本机概述
电工电子设备的零件由于电的作用可能暴露于过热应力中,而且其劣化可能会降低设备的安全性能。这些零件不应过度地受设备内部产生的热和火的影响。在设备内部容易使火焰蔓延的绝缘材料或其他固体可燃材料的零件可能会由于灼热丝或灼热元件而起燃。在一定条件下,例如流过导线的故障电流、元件过载以及不良接触的灼热元件而起燃。本试验仪就是模拟在故障或过载条件下,灼热元件或过载电阻之类的热源或起火源在本试验仪就是模拟在故障或过载条件下,灼热元件或过载电阻之类的热源或起火源在短时间内所造成的热应力,用以评定产品的着火危险性。适用于对电工电子产品家用电器及其材料等进行着火危险试验和燃烧性能试验。本试验仪依据IEC60695 - 2 - 10 / 11 / 12 / 13.2016、GB5169.10、GB5169.11及GB4706.1。《家用和类似用途电器的安全第一部分:通用要求》中所规定的有关条款设计制造。
2、主要技术参数
1.灼热丝温度:常温~ 1100℃范围内可调;
2.测温热电偶采用标称直径为Ø0.5mm镍铬和镍铝(K)型铠装细丝热电偶(易耗品,不在质保范围内),耐热1100度(优于标准);
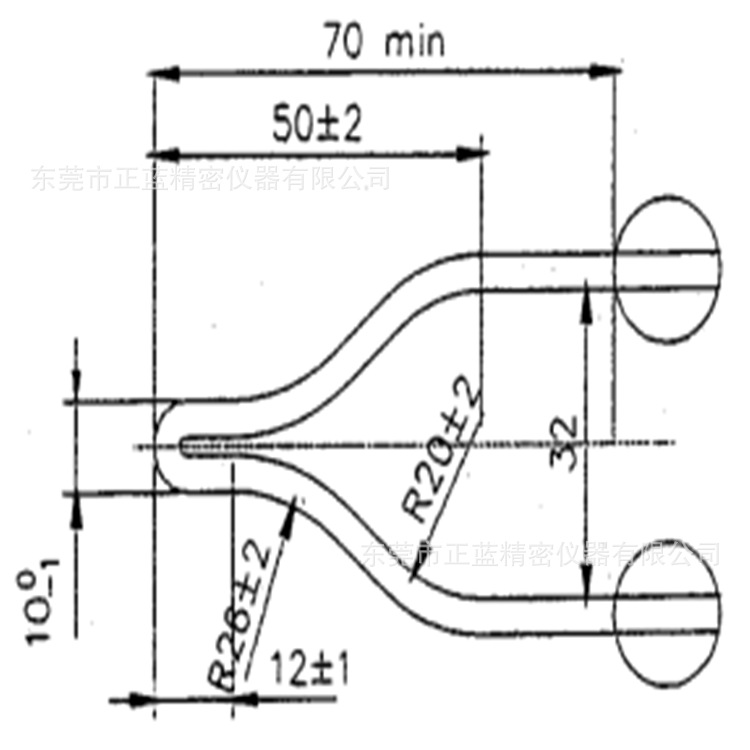
3.灼热丝是用直径为4mm±0.04mm的镍/铬(80 / 20)丝制成规格尺寸
尺寸请参见下图:

4.加热电流:0-150A可调
5.灼热丝与试品之间保持1N ± 0.2N的压力,并限制压入深度为7±0.5mm
6.采用高品质电机,轮型小车速度:10-25MM/S
7.灼热丝对试品的施加时间(Ta)在0 ~ 999.9范围内可调。一般按标准要求
设定在30秒,灼热时间到达设定时间时小车自动撤回原位
8.起燃持续时间(Ti)和火焰熄灭时间(Te):0-999.9S任意设定,自动计时。
9.外形尺寸(长x宽x高):105 0*650*1300MM;
10.工作室体积:0.5立方(可定制其他尺寸)
11.机箱材质:烤漆/不锈钢可选
12.控制方式:按键/触摸屏可选
触屏控制的采用7寸大彩屏+可编程智能控制器,各项试验参数均直接在触摸屏上设定,显示,操作更智能,更方便,更稳定
13.工作电源:AC 220V / 50Hz,功率不大于800W

按键烤漆灼热丝![E6{$1ASKVZ%VP(ZU{}Y]@PG](https://cbu01.alicdn.com/img/ibank/O1CN01HBXSpf1MznAOp8YDJ_!!941541506-0-cib.jpg?__r__=1713774504156)
触屏烤漆灼热丝

不锈钢灼热丝
![Y{`)I_]IW1Y[V@F%3XC%@GT.png](https://cbu01.alicdn.com/img/ibank/O1CN01RxfqVo1MznAPi5NSM_!!941541506-0-cib.jpg)
不锈钢触屏灼热丝

상품정보 제공고시
원산지 동관 수입 여부 아니 주문번호 ZL-1062 맞춤형 처리 예 품목 번호 ZL-1062 브랜드 긍정적 인 파란색 모델 ZL-1062 제품 사양 표준 차원 1000mm 넓은 × 650mm 깊은 × 1300mm 높은 무게 80KG 제품 사용 글로우 와이어 테스터는 조명 장비, 저전압 전기 제품, 전기 기기 및 기타 전기 및 전자 제품 및 그 구성 요소의 연구, 생산 및 품질 검사 부서에 적합합니다. 국경 간 수출이 독점적으로 가능한지 여부 아니 -
배송/교환정보