셀러라이프
소싱라이프
정책자금
매뉴얼
입점/제휴문의
로그인
아이템 검색
찜 리스트
장바구니
수입대행 신청내역
나의 주문
로그인
수입대행 가이드
문의하기
상품 상세
이미지 선택
이미지로 검색
취소
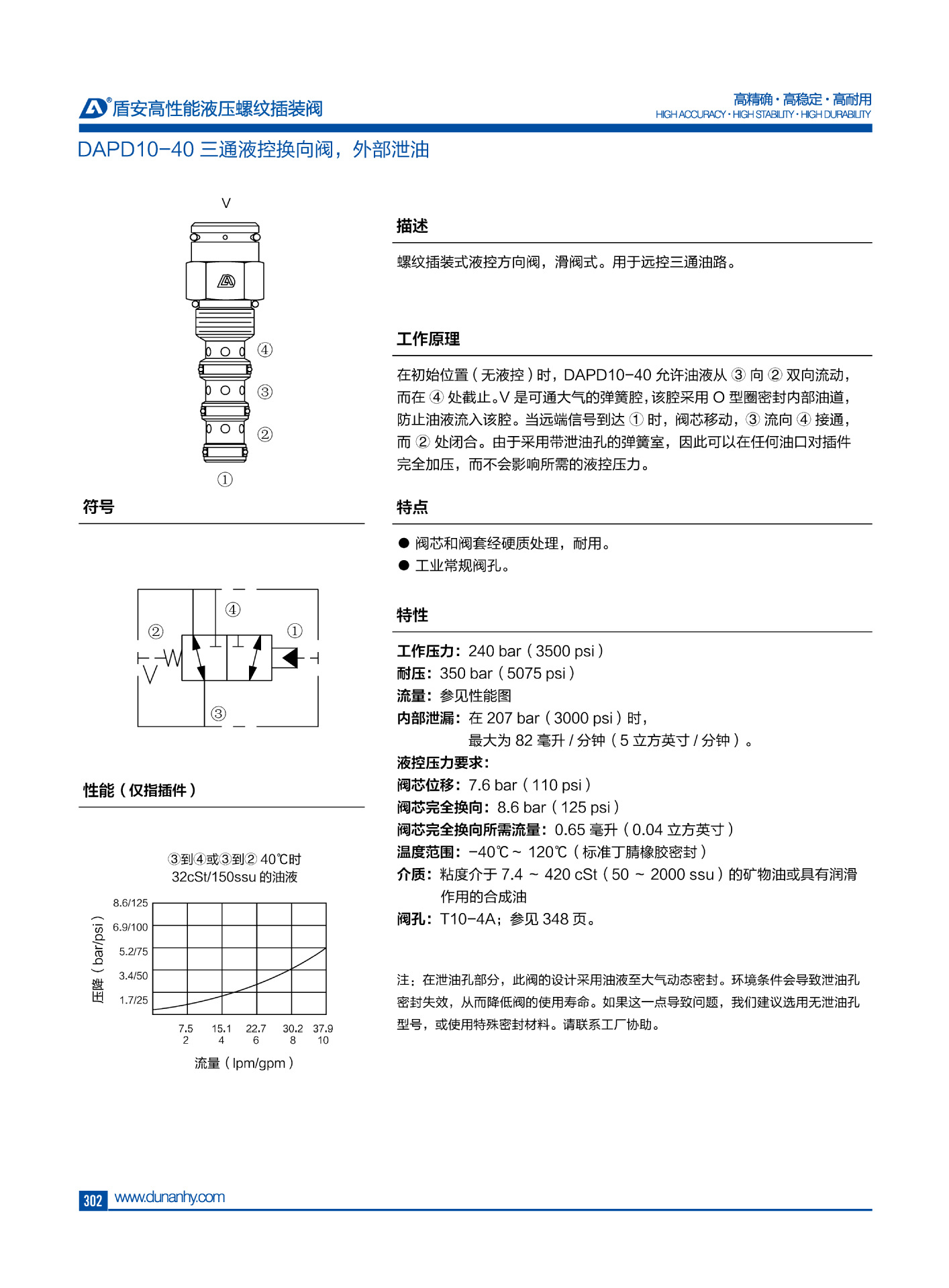
핫 세일 추천 로직 밸브 삼방향 유압 제어 밸브 외부 오일 배출 DAPD10-40 유압 시스템 부품
원문보기
PLUS가격:
가격:
₩
56,715
₩
59,700
PLUS가격:
가격:
¥
189.05
¥
199.00
구매수량별 가격
1
~
¥
189.05
최소구매수량
1개
사양
선택하세요.
10mm
선택한 옵션
(장바구니)
예상 내륙운임비
/
총 상품금액(내륙운임 포함)
/
수입시 예상 금액
?
수입시 예상 금액이란?
물품대금 · 국제운임 · 검수 · 바코드 부착 · 관부가세까지 수입에 필요한 모든 비용이 포함되어 있습니다.
위시리스트
장바구니 담기
구매하기
관련상품
상품 상세설명
店长推荐
液压阀双头电磁换向阀溢流阀节流阀力士乐4WE系列现货批发4WE6J6D
¥448
Rexroth 力士乐溢流阀DBDS系列 DBDS 30 K1C-200VE 原装正品
¥600
Rexroth力士乐节流阀Z2FS系列
¥800
Rexroth力士乐单向阀Z2S系列 Z2S6-1-6X/
¥800
Rexroth力士乐原装电磁球阀M-3SED系列 M-3SED6UK1X/350CG24N9K4
¥1500
力士乐Rexroth比例阀4WREE系列 4WRKE25E350L-3X/6EG24EK31/A1D3M
¥8500
力士乐DBW系列DBW10B1-5X/315-6EG24N9K4溢流阀DBW20B1-5X/315
¥3200
PARKER派克柱塞泵PV系列 原装正品 PV180R1K1T1NMMC
¥24700
美国派克PARKER弯轴柱塞马达F12系列F12-110-MS-SV-S-000-0000-P0
¥13700
PARKER派克 比例节流阀TEA系列 如TEA040EW09B2NLWJ 原装正品
¥14850
PARKER派克 先导式比例方向控制阀 D41FCB31FC1NE70 原装正品
¥10500
国产华德叠加式单向阀Z1S系列 Z1S6P1-30B z1s22
¥220
华德RVP型单向阀 RVP6-10B RVP25-10B RVP10-10B
¥140
华德S型单向阀 S6A11B S10A11B S20A11B
¥60
华德叠加式液控单向阀 Z2S系列,宁波总代理
¥370
상품정보 제공고시
소재
탄소 강철
브랜드
DUNAN
사양
10mm
제품 카테고리
밸브
배송/교환정보