관련상품
-
상품 상세설명
本店有实体经营店,可为客户提供专业的BOM一站式采购配套服务。郑重承诺:商品全部实物拍摄,只做全新原装价格优势,请放心采购。
本公司主要经营电源IC、集成电路IC(供应大范围的IC产品)、二极管、三极管、电容、电阻、电感、高频管、MOS管、场效应、肖特基、TV二极管、光藕等DIP、SMD电子元器件。广泛应用于通讯,仪器仪表,军工,电脑设备,工业控制、家电等电子产品。
由于我们经营的电子元件品种非常多,没法一一上传,如果您在我们店铺里找不到您所需要的型号,请与我们联系,我们会尽快报价给你。由于电子产品行情波动较大!有一小部分宝贝未能及时修改价格,所以请买家们拍前先联系咨询价格数量后再拍下,如有带来不便敬请谅解!祝您网购愉快!











상품정보 제공고시
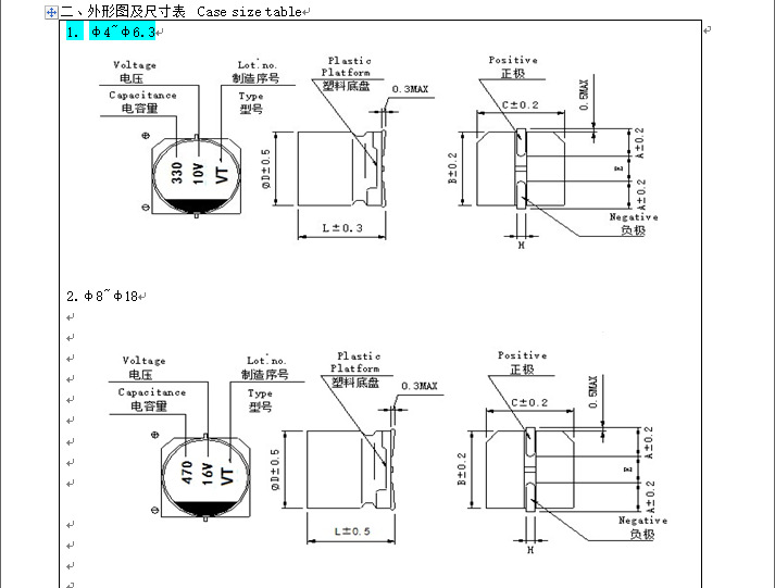
브랜드 XYGK 모델 25V22UF 시리즈 VT 관용 20 정격 전압 25V 등가 시리즈 저항 (ESR) -- 작동 온도 범위 -40 ° C ~ + 105 ° C 리플 현재 @ 저주파 -- 리플 현재 @ 고주파 -- 임피던스 -- 리드 간격 표준 크기 5*5.4 높이-설치 (최대) 5.4 설치 유형 패치 항목 번호. -- 국경 간 수출이 독점적으로 가능한지 여부 아니 캡슐화/쉘 브레이드 플레이트 신청 분야 3C 디지털 -
배송/교환정보