관련상품
-
상품 상세설명
由于产品众多未能全部标上准确价格,产品图纸,下单前请务必和我公司销售人员联系!由于我司是‘生产+销售’模式,交易会涉及到很多方面如:库存、价格、产品质量要求、物理性能、交货期等等,所以请您与我公司销售人员确认订单详情后,再进行交易,以免耽误您宝贵的时间。另,我司的产品种类繁多,产品并未全部已上架,如您未找到所需产品,也请咨询我们,感谢支持!
陈生 :










상품정보 제공고시
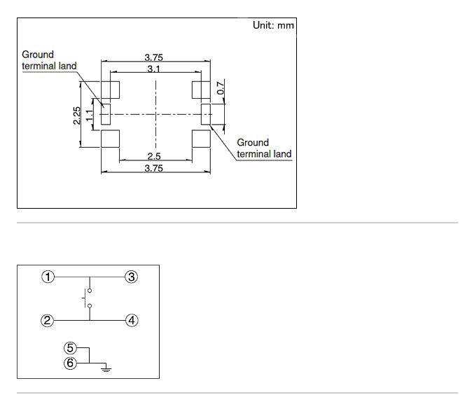
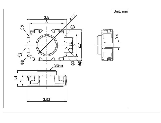
브랜드 Aofeng 기술 전자 유한 공사 모델 SKSGPCE010 유형 가벼운 터치 정격 전압 기타 정격 전류 기타 접촉 저항 기타 절연 저항 기타 제품 자연 뜨거운 판매 마케팅 방법 재고 마케팅 가격 특별 제공 맞춤형 처리 기타 항목 번호. SKSGPCE010 3C 정격 전압 범위 400V 위 국경 간 수출이 독점적으로 가능한지 여부 기타 -
배송/교환정보