셀러라이프
소싱라이프
정책자금
매뉴얼
입점/제휴문의
로그인
아이템 검색
찜 리스트
장바구니
수입대행 신청내역
나의 주문
로그인
수입대행 가이드
문의하기
상품 상세
이미지 선택
이미지로 검색
취소
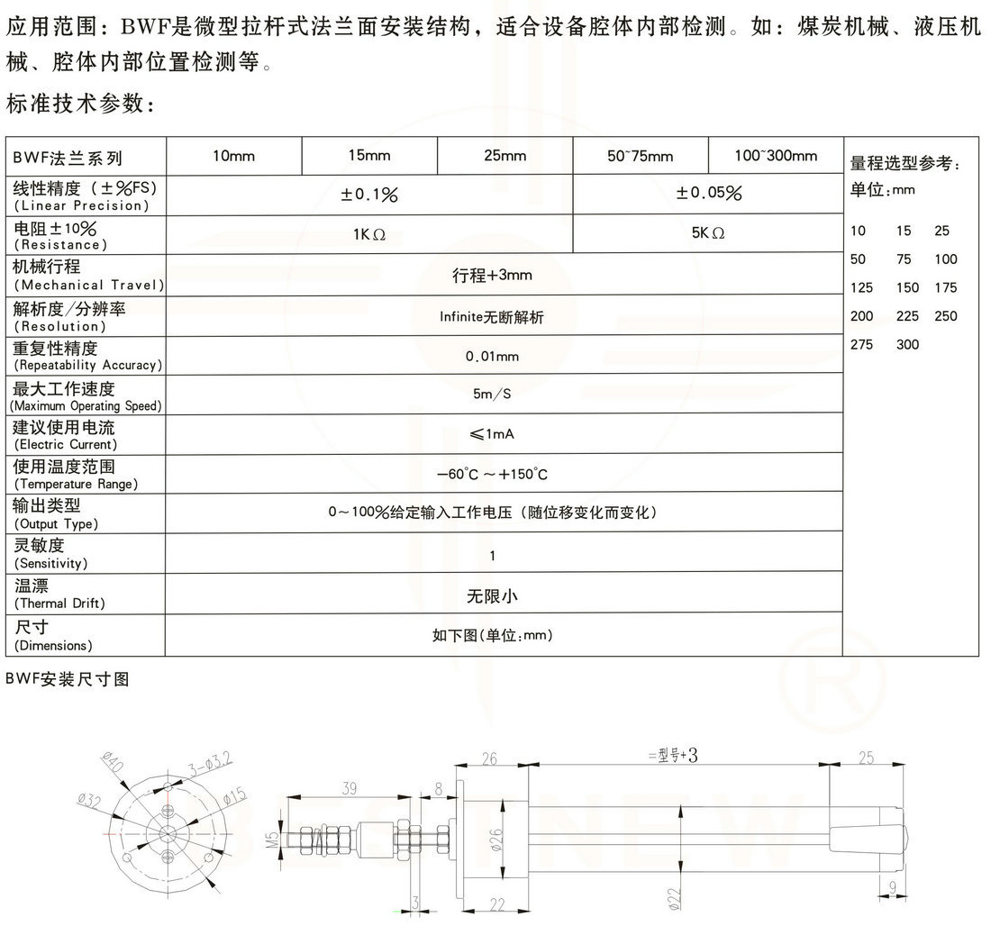
BWF 저항 통치자 긴 수명 통치자 식품 기계 통치자 풀로드 플랜지 시리즈 인기있는 뜨거운 판매
원문보기
PLUS가격:
가격:
₩
82,365
~
₩
90,915
₩
86,700
~
₩
95,700
PLUS가격:
가격:
¥
274.55
~
¥
303.05
¥
289.00
~
¥
319.00
구매수량별 가격
1
~
¥
303.05
6
~
¥
284.05
11
~
¥
274.55
최소구매수량
1개
사양
선택하세요.
BWF-25MM
선택한 옵션
(장바구니)
예상 내륙운임비
/
총 상품금액(내륙운임 포함)
/
수입시 예상 금액
?
수입시 예상 금액이란?
물품대금 · 국제운임 · 검수 · 바코드 부착 · 관부가세까지 수입에 필요한 모든 비용이 포함되어 있습니다.
위시리스트
장바구니 담기
구매하기
관련상품
상품 상세설명
ΥΦΧΨΥΦΧΨ
ΥΦΧΨΥΦΧΨ
상품정보 제공고시
브랜드
베스트 닝
모델
BWF-25mm
시리즈
BWF 소형 풀로드 플랜지 표면
선형성
0.1
설치 유형
고객 서비스 연락
신청 분야
기계 장비
사양
BWF-25MM
배송/교환정보