관련상품
-
상품 상세설명


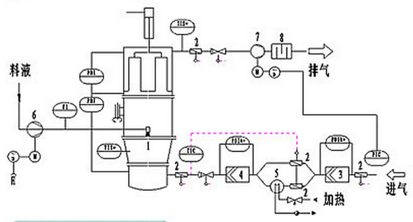
物料粉末粒子,在原料容器(流化床)中呈环形流化状态。受到经过净化后的加热空气预热和混合,将粘合剂溶液雾化喷入,使若干粒子聚集成含有粘合剂的团粒,由于热空气对物料的不断干燥,使团粒中的水分蒸发,粘合剂凝固,此过程不断重复进行,形成理想的、均匀的多微孔球状颗粒。
项 目 单位 机 型 3 5 15 30 60 120 200 300 500 原料
容器
容量 L 12 22 45 100 220 420 670 1000 1500 直径 mm 300 400 550 700 1000 1200 1400 1600 1800 生产
能力
小 kg 1.5 4 10 15 30 80 100 150 250 大 kg 4 6 18 36 72 140 240 360 600 风机 风量 m3/h 1000 1200 1400 1800 3000 4500 6000 7000 8000 风压 mmH2O 375 375 480 480 950 950 950 950 950 功率 kw 3 4 5.5 7.5 11 18.5 22 30 45 蒸汽消耗量 kg/h 15 23 42 70 141 211 282 366 451 压缩空气耗量 m3/min 0.6 0.6 0.6 0.9 0.9 0.9 1.1 1.5 1.5 主机重量 kg 250 300 700 900 1100 1300 1500 1800 2000 蒸汽压力 Mpa 0.3~0.6 温度 ℃ 室温-120℃范围内可调节 作业 min 随物料物性而定45~90 物料收得率 % ≥99 噪声 dB(A) 风机与主机隔离安装,噪音≤75dB(A) 外形
尺寸
M 1.0×0.55
×1.8
1.2×0.6
×2.1
1.25×0.75
×2.1
1.6×0.9
×2.3
1.85×1.25
×3
2.2×1.65
×3.3
2.34×1.7
×3.8
2.8×1.9
×3.8
3×2.25
×4.2
特点
通过粉体造粒,改善流动性,减少粉尘飞扬。
通过粉体造粒改善其溶解性能。
混合、制粒、干燥在一机内在完成制粒。




























































制冷工业中的造粒:片剂颗粒、冲剂颗粒、胶囊剂颗粒。食品工业的造粒:可可、咖啡、奶粉、颗粒果汁、调味品等。其它行业的造粒:农药、饲料、化肥、颜料、染料化工等。粉状或颗粒湿物料的干燥。包衣:颗粒、丸剂保护层、备色、缓解、薄膜、肠溶包衣等。




상품정보 제공고시
주문 번호. 028 처리 사용자 정의 예 항목 번호. 028 브랜드 자뎅건조 모델 FL120 해당 재료 기타 응용 분야 식품 공장 건강 제품 공장 생명 공학 회사 열 전달 영역 1 속도 5 전원 18.5 전체 차원 4*2*6 무게 3000 사양 FL30 국경 간 내보내기 소스가 배타적인지 여부 아니오 -
배송/교환정보