관련상품
-
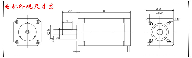
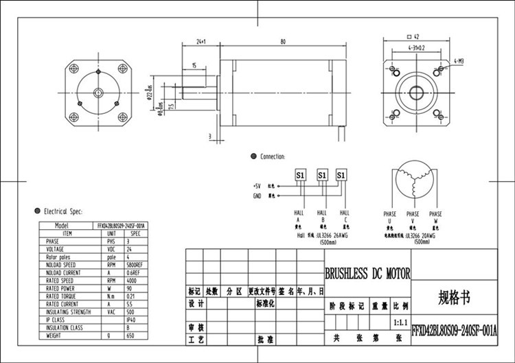
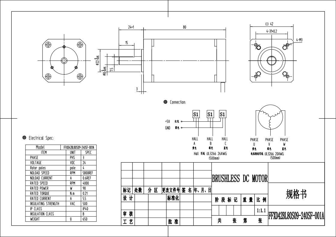
상품 상세설명













无刷电机可与齿轮箱、编码器、驱动器配套使用。
供应自动门、窗专用42无刷内置驱动电机.安装方便、节能环保。内置NMB轴承、Honeywell传感器,长寿命,高灵敏度。
厂家直销直流无刷电机 提供定制!圆形 双出轴 特殊轴 特殊参数等。常规参数均备有现货,欢迎批发采购!
3、材料、包装、运输、贮存:
3.1产品符合欧盟RoHS指令要求
3.2电机包装必须牢固可靠,包装箱应标有“小心轻放”、“防潮”等标志,其相应图样应符合GB191的规定.
3.2.1外包装:瓦楞纸箱
3.2.2内包装:泡沫塑料
3.3标志:FXD42BLDC-001A(标在箱体外,且标示装箱数量、生产厂家等)
3.4运输:包装箱或包装盒在运输过程应小心轻拿轻放,避免碰撞和敲击,严禁与酸碱等腐蚀性物品放在一起.
3.5贮存:电机存放在环境空气-5~+40℃,相对湿度≤90%,清洁、通风良好的库房内,空气中不得含有腐蚀性气体.
富贤达电机厂家直销优势:长寿命、低噪音、高效率、质量好、交货快、内部线圈是纯铜线圈、特殊规格可定做、正常使用下保修2年。退换货说明:产品在售出15天内,在正常使用情况下,产品性能出现问题且外观无刮伤,我们承诺直接更换新品。
签收产品时需注意事项:请买家在收到快递包裹时不要急于签收,签收前请检查包装箱内产品及配件是否齐全?首先看邮递单箱外面封条是否完整,箱子有无变形厉害、在邮寄的过程中有无磨损,再签收,一旦发现问题请当面让快递作证,单号注明签字,并立即通过快递单上的联系电话和相关工作人员获得联系!在发现货物损坏时当快递人员面立即当场与我们电联。凡签收后再联系反映问题我们是有权拒绝处理!对于需要先签收再打开包装查看的货物的快递,收货人可先签收,应当要求承运人当场监督并打开包装查看(有些快递员赶时间会要走,亲们可以把签收好的底单拿着稍候给他,让他配合等一下下,你们尽快做验收工作),如发现表面不一致,应当直接退货或者要求在签收单上加注详细情况并让承运人签字确认,并当场立即致电给我们。客户签收后由于客户自身原因(比如说订购前未看清内容介绍,型号)产生的退货,本店不予处理,还请亲们谅解。
联系电话:0519-83666368
상품정보 제공고시
원산지 창저우 수입 여부 아니 브랜드 푸 시안 다 제품 유형 브러시리스 DC 모터 모델 FXD42BL80S09-240SF-001A 폴 번호 4 극 정격 전력 90W 정격 전압 24 정격 속도 4000 적용 가능한 객체 기계 장비 -
배송/교환정보