관련상품
-
상품 상세설명
智能外控表面贴装SMD型LED
1.产品概述:
SK6812 RGBW是一个集控制电路与发光电路于一体的智能外控LED光源。其外型与一个5050LED灯珠相同,每个元件即为一个像素点。像素点内部包含了智能数字接口数据锁存信号整形放大驱动电路,电源稳压电路,内置恒流电路
,高精度RC振荡器,输出驱动采用专利PWM技术,有效保证了像素点内光的颜色高一致性。
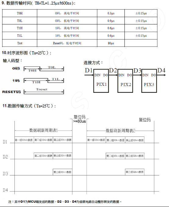
数据协议采用单极性归零码的通讯方式,像素点在上电复位以后,DIN端接受从控制器传输过来的数据,首先送过来的32bit数据被第一个像素点提取后,送到像素点内部的数据锁存器,剩余的数据经过内部整形处理电路整形放大后
通过DO端口开始转发输出给下一个级联的像素点,每经过一个像素点的传输,信号减少32bit。像素点采用自动整形转发技术,使得该像素点的级联个数不受信号传送的限制,仅仅受限信号传输速度要求。
LED具有低电压驱动,环保节能,亮度高,散射角度大,一致性好,超低功率,超长寿命等优点。将控制电路集成于LED上面,电路变得更加简单,体积小,安装更加简便。
2.主要应用领域:
● LED全彩发光字灯串,LED全彩模组,LED幻彩软硬灯条,LED护栏管,LED外观/情景照明
● LED点光源,LED像素屏,LED异形屏,各种电子产品,电器设备跑马灯。
3.特性说明:
● Top SMD内部集成高质量外控单线串行级联恒流IC;
● 控制电路与芯片集成在SMD 5050元器件中,构成一个完整的外控像素点,色温效果均匀且一致性高。
● 内置数据整形电路,任何一个像素点收到信号后经过波形整形再输出,保证线路波形畸变不会累加。
● 内置上电复位和掉电复位电路,上电不亮灯;
● 灰度调节电路(256级灰度可调),
● 单线数据传输,可无限级联。
● 整形转发强化技术,两点间传输距离超过10M.
● 数据传输频率可达800Kbps, 当刷新速率30帧/秒时,级联数不小于1024点。














상품정보 제공고시
가져오기 여부 아니오 브랜드 BTF-조명 모델 SK6812RGBW 치수 5050 전원 0.3 전진 전압 5 역 전압 5 칩 브랜드 사난 칩 크기 5 도체 재료 골드 와이어 브래킷 재질 구리 빛나는 각도 120 관련 색 온도 1K-SK6812-RGBNW-램프 비즈 -
배송/교환정보