관련상품
-
상품 상세설명

直销SP-831户外工业插头 3P32A机柜工业插头插座 防水连接器插头


产品详细信息
电流 极数 110V
50a.60Hz230V
50a.60Hz400V
50a.60Hz500V
50a.60Hz>50-500
100-300Hz>50-500
a.300-500Hz包装单位 重量 3极
4时4极
4时5极
4时3极
6时4极
9时5极
9时3极
9时4极
6时5极
6时3极
7时4极
7时5极
7时3极
10时4极
10时5极
10时3极
2时4极
2时5极
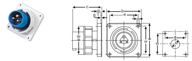
2时32 3 SP-831 10 234
接地点位 6h额定电流(A) 32极 3规格(mm)
a
b
c
d
e
f
g.
g.1
l
s85.7
85.7
90
69.5
69.5
5.5
10
2
47
94导线横截面积(mm2)从最小至最大 4-6规格型号 标准类型 插脚芯数 线芯直径 接口类型 SP-826 3P 16A 欧标 3芯 2mm² 欧标圆孔 SP-827 4P 16A 欧标 4芯 6mm 欧标圆孔 SP-829 5P 16A 欧标 5芯 16mm² 欧标圆孔 SP-831 3P 32A 欧标 3芯 2mm² 欧标圆孔 SP-832 4P 32A 欧标 4芯 6mm 欧标圆孔 SP-834 5P 32A 欧标 5芯 16mm² 欧标圆孔 SP-836 3P 63A 欧标 3芯 2mm² 欧标圆孔 SP-3656 4P 63A 欧标 4芯 6mm 欧标圆孔 SP-3658 5P 63A 欧标 5芯 16mm² 欧标圆孔 SP-3665 3P 125A 欧标 3芯 35mm² 欧标圆孔 SP-3583 4P 125A 欧标 4芯 35mm² 欧标圆孔 SP-1983 5P 125A 欧标 5芯 35mm² 欧标圆孔 

产品应用领域 本公司专业生产工业插头、插座、耦合器。产品广泛应用于钢铁冶炼、石油化工、电力、电子、铁路、建筑工地、机场、矿山、采矿地、给排水处理厂以及港口、码头、商场、宾馆等各类工矿企业和作为国外引进设备电源、接插件的配套和维修设备,是新一代的理想电源装置。赛普牌系列产品以可靠的质量、 质的服务将给您带来更好、更安全的用电保障。
实验说明 沙尘试验:
我们制造可供全世界各地使用的产品,首先要考虑的问题之一就是产品的使用环境。以便于评价产品在暴露于干砂或充满粉尘的大气中存储、运输或运行使用的适应性。
沙尘试验采用人工模沙尘环境,来检验产品的防尘能力。以确定产品是否能在各种恶劣的自然环境下长期使用。
淋雨试验:
众所周知,产品无论是牌工作状态还是贮存状态,它都将不同程度的受到各种液体的影响,当受到液体的渗透、流动、冲击和积聚,会对产品的材料和性能产生各种影响。甚至会破坏其结构。因此,各种液体对产品的影响不容忽视的。
淋雨试验的目的是确定设备在经受各种液体侵蚀时,其外壳防止液体渗透的能力和在遭到液体浸蚀时或之后的工作稳定性和可靠性。
高低温试验:
存在于地球表面及大气层空间中的自然环境因素和诱发环境因素的种类很多,其中对电气产品的使用及寿命影响较大的因素不下十几种。而温度的变化对产品的影响是明显的。
在低温、高温条件下,对产品的物理以及其他相关特性进行环境模拟测试,测试后,通过检测,来判断产品的性能,是否仍然能够符合预定要求。
插拔力试验:
在设计产品时,我们会首先确定一个合理的温升范围,在这个范围内我们尽可能使产品插拔进的手感更好。
插拔力试验的目的是将感性的手感程度转化为理性的数据,以便供产品设计、改进、鉴定及出厂检验用。
灼热丝试验:
火灾危险性是不言而喻的。在现代生活中由电气设备引起的火灾正在逐年增加。电气产品的零部件可能会由于元件过载以及不良接触而起燃。
热丝试验机是利用模拟技术评定由于灼热元件或过载电阻之类热源,在短时间内所造成热应力的着火危险性。




상품정보 제공고시
브랜드 사이프웰/사이프 대외 무역 전용인가요? 아니요 3C 정격 전압 범위 AC440V 사양 SP-1983 5P 125A 플러그 유형 전원 플러그 -
배송/교환정보