관련상품
-
상품 상세설명





电动通风蝶阀具有布局简略、体积小、密闭性好、装置修理比拟便利;电动通风蝶阀的工艺安置较为灵敏,既可水平运送,又能歪斜或笔直运送,能够多点加料,也能够多点卸料;因为壳体是密闭的,因此在运送易扬尘、有毒、易燃易爆、高温的物料时,对改进工作条件,避免环境污染有杰出的长处。


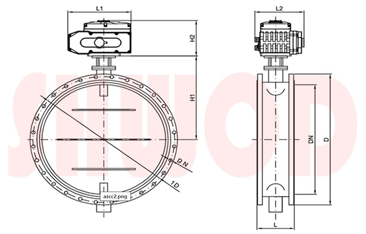
规格 D D1 N—D H1 H2 L L1 L2 mm DN65 160 130 4—14 282 135/270 112 165/320 150/220 DN80 190 150 4—18 313 135/270 114 165/320 150/220 DN100 210 170 4—18 380 135/270 127 165/320 150/220 DN125 240 200 8—18 396 135/270 140 165/320 150/220 DN150 265 225 8—18 409 135/270 140 165/320 150/220 DN200 320 280 8—18 619 135/270 152 165/320 150/220 DN250 375 335 12—18 649 140/275 165 190/355 170/250 DN300 440 395 12—22 681 140/275 180 190/355 170/250 DN350 490 445 12—22 709 140/315 180 190/375 170/290 DN400 540 495 16—22 733 170/315 200 270/375 220/290 DN450 595 550 16—22 761 170/315 200 270/375 220/290 DN500 645 600 20—22 789 170/315 220 270/375 220/290 

电动通风蝶阀是一种非密闭型蝶阀,适用于建材、冶金、矿山、电力等生产过程种介质温度≤300℃公称压力为0.1Mpa的管道上,用以连通、启闭或调节介质量。电动通风蝶阀主要用于金、化工、建材、电站、玻璃等行业中的通风、环保工程的含尘冷风或热风气体管道中,作为气体介质调节流量或切断装置。电动通风蝶阀采用中线式碟板与短结构钢板焊接的新型结构形式设计制造的,


上海沃电自动化仪表有限公司,是集机电一体化,智能一体化,遥控智能非侵入式电动装置与电动执行器的开发,制造,销售,调试于一体的综合型单位。 本公司吸收消化美国,英国,德国,法国,韩国测控技术的基础与精华与联合研究所共同研制出创新的遥控型智能电动装置,产品经上海仪表测控系统系统监测合格。为了适应市场,与多所大学共同研发总线系统。公司主营:多回转,直行程,角行程电动阀门,电动通风蝶阀,电动风阀,等等......广泛用于水电,火电,核电,油田,气田,炼油厂,输油管道,钢铁,化工,化肥,制药,印染,制糖,污水处理,供水工程等气液输送管道的自动化控制系统中,既能满足连续调节,又能满足断续控制的要求,并能实现现场的智能总线测控。




下单前请联系客服,以客服报价为准。
상품정보 제공고시
브랜드 상하이 우디안 재료 캐스트 스틸 연결 형태 플랜지 구조 형태 수직 판 해당 미디어 공기 작업 온도 -10 ~ 250 ° 표준 국가 표준 흐름 방향 양방향 운전 모드 전기 부품 및 액세서리 플랜지 사용 공기량 조절 사양 D941W 양식 나비 -
배송/교환정보