관련상품
-
상품 상세설명




1 ELECTRICALCHARACTERISTICS電氣特性
Item
Content項目
Specification規格
1.1
Total Resistance總阻
500K
1.2
Total Resistance Tolerance總阻誤差
± 10 %
1.3
Resistance Taper電阻特性曲綫
B taper
1.4
Power Rating負載功率
Curve B:0.2W;other than B:0.1W
1.5
Max. operating Voltage最大工作電壓
150V AC
1.6
Residual Resistance殘留電阻
R1-2≤ 10 W; R2-3 ≤ 20 W
1.7
Rotational Noise旋轉雜音
≤47mV
1.8
Insulation Resistance絕緣電阻
≥100 MΩ at DC 500V
1.9
Withstanding Voltage耐電壓
1 Minute at AC 500V
2 MECHANICAL CHARACTERISTICS機構特性
2.1
Dimensions外形尺寸
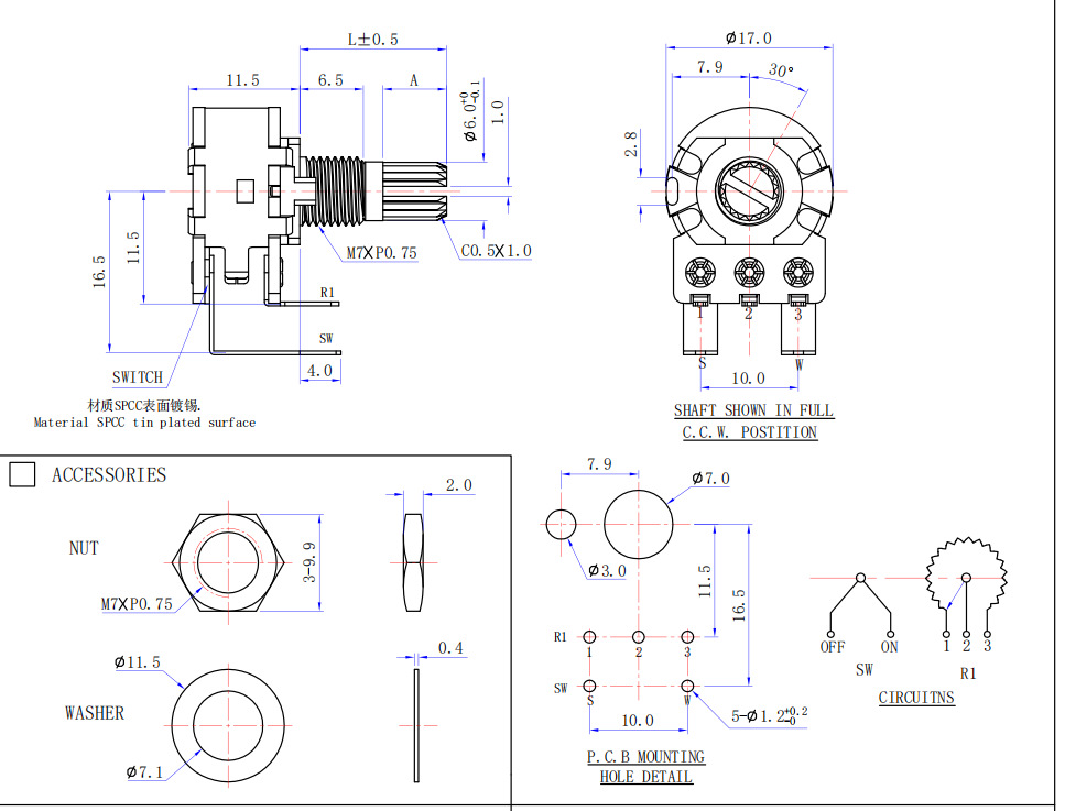
Refer to the separate product chart (具體參照產品圖面)
2.2
Total Rotational Angle旋轉角度
300????????????????????????????????±5????????????????????????????????
2.3
Rotational Torque旋轉力矩
20~250 gf.cm
2.4
Shaft Stop Strength止擋強度
≥6kgf.cm
2.5
Shaft Push & Pull Strength轴推拉强度
≥8kgf.cm
2.6
Bushing nut tighting strength
軸套鎖緊強度
7kgf.cm
2.7
Shaft Wobble (mm p-p)軸擺動
≤0.7 x L/30mm(p-p) L=shaft Length
3 DURABILITY CHARACTERISTICS耐久特性
3.1
Rotational Life旋轉壽命
≥10,000 cycles
3.3
Working Temperature工作温度
-10℃~ +70℃
3.4
Soldering Heat Characteristic
焊錫耐熱性
Auto Soldering: 260℃±10℃;time:5±1 sec
Manual Soldering:300℃±5℃ ;time:3±1 sec
상품정보 제공고시
브랜드 Huiyuansheng 모델 16 해상도 100 사양 RV1664NS -
배송/교환정보