관련상품
-
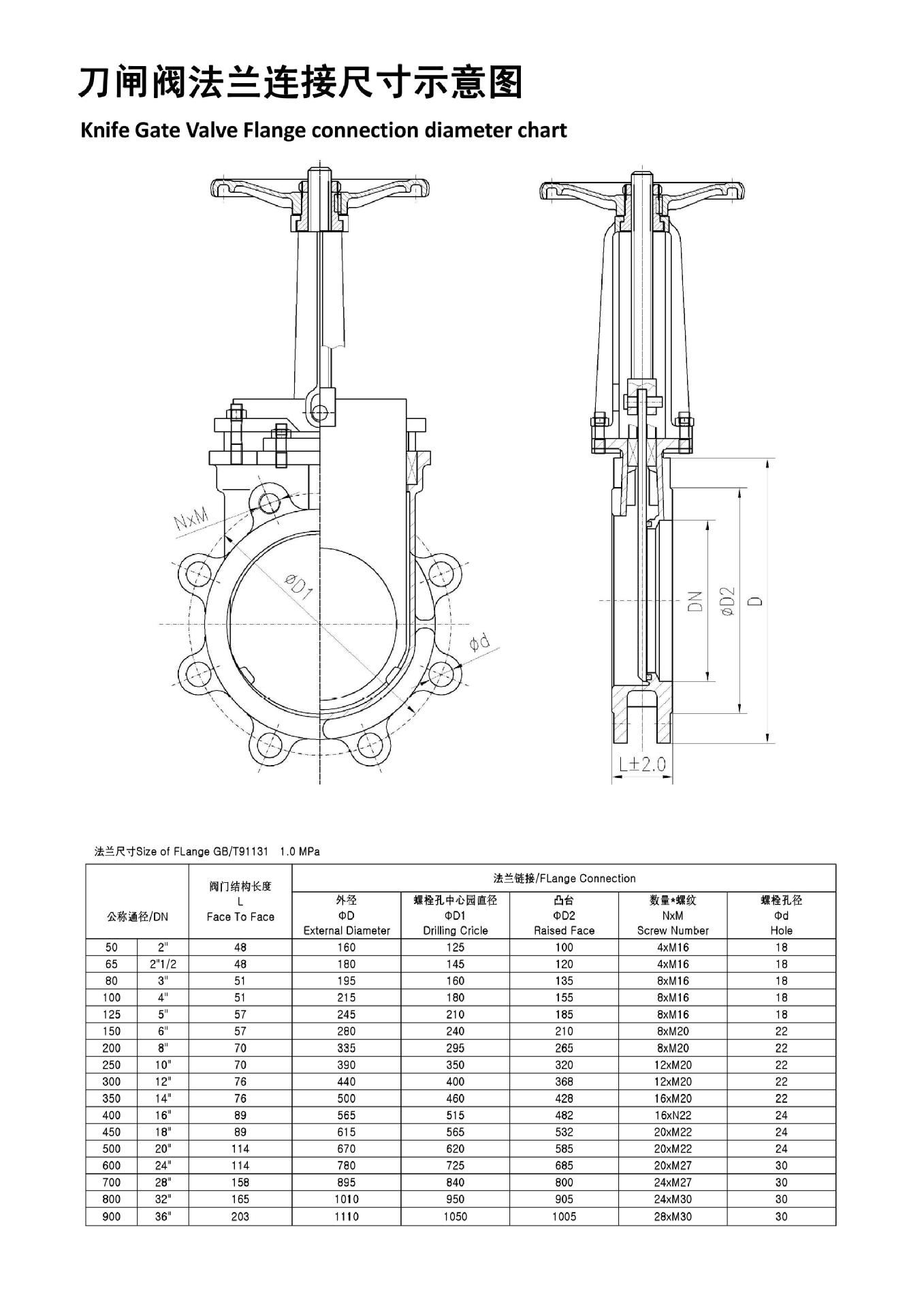
상품 상세설명
温馨提示
产品属性及价格等仅供参考,详情请来电或旺旺咨询!
一年内实行三包
高品质质保一年
专注阀门行业10年完善的售前售后服务!








温州恒隆阀门有限公司,座落于“中国泵阀之乡”永嘉瓯北镇,一直致力于工业过程控制阀门的研发与制造。是一家集研发、制造、销售为一体的科技型企业。公司实力雄厚,制造设备精良,检验工序完善,产品系列齐全,价格合理和高质量的售后服务,深受广大用户的信赖和好评。 恒隆阀门系列产品包含了:刀闸阀、插板阀、浆液阀、闸门、闸阀、蝶阀、球阀、截止阀、止回阀,产品广泛用于造纸、化纤、石化、食品、冶金、电力、化工、制药、污水处理、矿山排渣、炉渣、煤灰、水泥浆、砂浆、煤浆、采矿等行业的自动化控制系统中。控制阀系列产品,已被广泛应用到国内大型造纸项目中,并且赢得了客户质量认同。恒隆走出国门,产品远销美国、澳大利亚、印尼、西班牙、台湾、意大利等国家和地区。
联系人:陈俊迪电话:传真:移动电话:地址:中国浙江永嘉县瓯北镇东瓯街道和二工业区
1.阀门类设备提供免费维修一年并提供在此期限内的免费备件清单,免费维保期间内如发生非人为原因引起的损坏(不可抗力原因除外),我公司将及时免费更换和修理。
2.我公司本着以客户利益为第一,想客户所想、急客户所急,尽己所能满足客户的要求,做好售后服务。
상품정보 제공고시
브랜드 헝롱 적용 가능한 매체 물 밀봉된 형태 하드씰형 표준 국가 표준 흐름 방향 단방향 운전 모드 전기 부품 및 액세서리 게이트 목적 종료 스트레스 환경 상압 작동 온도 상온 사양 DN600 -
배송/교환정보