관련상품
-
상품 상세설명
产品详情
技术参数1.铣刀表面不应有裂纹,切削刃锋利,不崩刃、钝口以及退火等影响其性能的缺点。2.铣刀表面粗糙度,其数值不得大于标准规定。3.锯片铣刀由W6Mo5Cr4V2或同等性能的高速钢,硬质合金等材料制作。
特征描述锯片铣刀在使用后,齿刃部会变得不锋利,可使用相应的锯片研磨机重复翻磨刃齿,修磨后的锯片铣刀加工效果与新的锯片铣刀一样,可提高生产效率,降低成本。
图纸

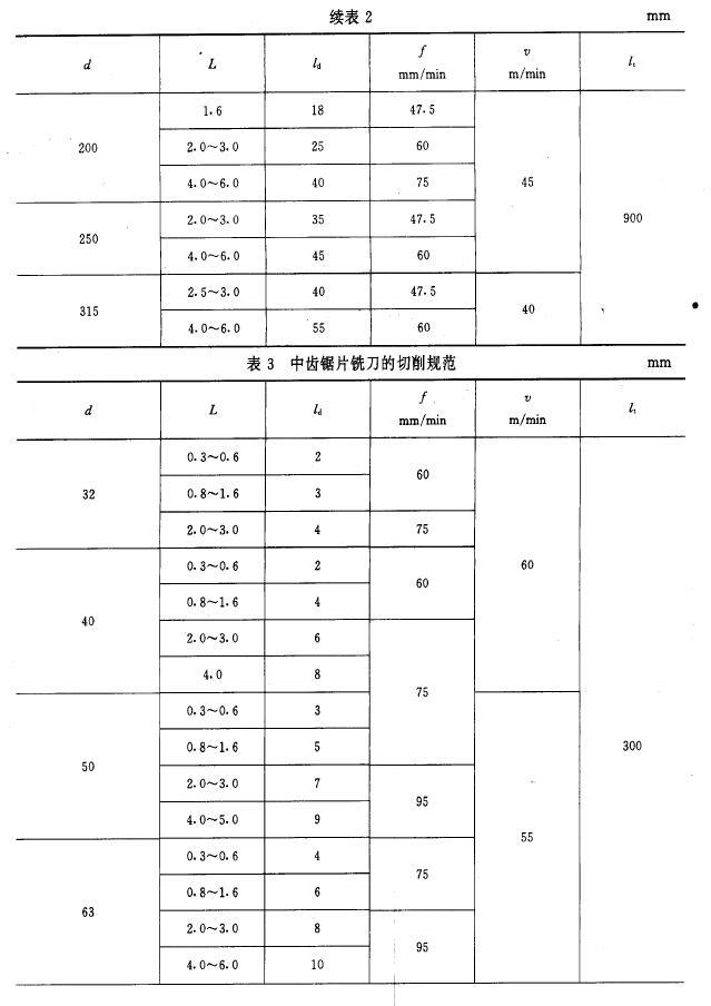
使用说明 1.新锯片使用时为了保证长久的使用寿命,切管机在切割前10分钟需要减少进料速度,而后才逐渐加快速度。
2.切割速度决定于被切割材料的种类、截面及韧度,韧性强的材料需要比较慢的转速。材料截面越小,选用转速越快。反之截面越大,可以速度越慢。
3.切割压力取决于材料的截面,大的截面需要在的切割压力。细管和小结构钢,除用小切割压力外,推进时间越快越好。
4.判断切割状态:
A.很细的或粉状锯屑表示切割压力太小;
B.粗的柔软的锯屑表示切割超负荷;
C.长的螺旋丝锯屑表示状态良好。
包装清单通常为10片/盒。
用途/应用领域锯片铣刀用 途:主要用于铁,铝,铜等中硬以下金属材料窄而深的槽加工或切断。也可用于塑料、木材
等非金属的铣削加工。超硬材料锯片铣刀,硬质合金锯片主要用于难切削材料(耐热钢,不锈钢等高强度钢)
的铣削加工。
产品图片及应用参数




品牌介绍浙江特佳利工具有限公司专业生产各种锯片铣刀、切口铣刀、整体硬质合金铣刀、三面刃铣刀、镶齿
圆锯片、机用锯条、橡胶刀片、带锯条及定做各种非标刀具、刃具;在设计制造方面积累了丰富的经验。公
司实行全面质量管理,严格选用优质材料生产,技术力量雄厚,检测手段齐全,加工设备精良,实行质量
承诺服务。真正做到以诚为本,质量至上。
本公司产品具有精度高、规格齐全、经久耐用、价格优惠,并可根据客户要求设计和来样生产非标产
品,本产品价廉物美,畅销国内外。
상품정보 제공고시
원산지 진윤, 중국 가져오기 여부 아니오 주문 번호. Hss15-450 브랜드 W6 HSS DM5 모델 80 항목 번호. Hss15-450 표준 부품 여부 표준 부품 표준 No. GB 재료 고속 강철 사용 금속 절단 용 특수 톱날 코팅 여부 비 코팅 해당 기계 도구 밀링 머신 사양 80*3.0*22 국경 간 내보내기 소스가 배타적인지 여부 아니오 외국 표준 번호 식사 1837 제품 카테고리 톱날 -
배송/교환정보