관련상품
-
상품 상세설명

一.磁性接近开关、磁簧开关、磁控开关、干簧管、门磁感应开关简介:
磁性接近开关、磁簧开关、磁控开关、干簧管、门磁感应开关,是依磁簧开关和永久磁铁之间运作的原理,利用磁场产生感应(通常是永久磁铁) 来接通开关,并将磁簧开关用塑料本体包裹保护,方便安装。磁性接近开关、近接开关、门磁开关、磁簧开关、磁控开关、干簧管、门磁感应开关的动作范围很广,不管是长距离或是短距离感应都能正常的动作。
二.结构特点:
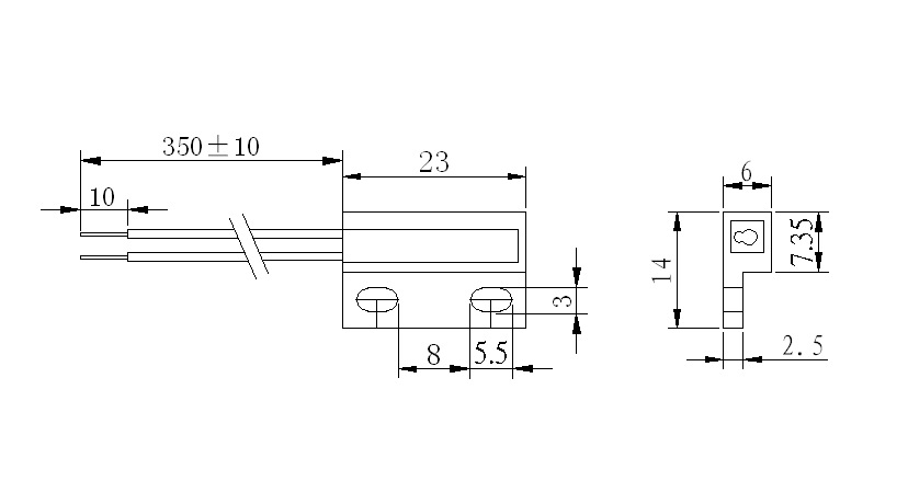
1.此款产品为方块塑胶外壳,干簧管磁性接近开关,外观尺寸为14*23mm。
2.体积小,便于安装,性能可靠,塑胶外壳,耐磨损和高温
3.产品主要由开关和磁铁两部分组成,开关部分由磁簧开关经引线连接,定型密封于塑胶外壳中,磁铁由对应的磁力强度的磁铁封装于塑胶 外壳内,也可直接使用裸磁测试。当开关与磁铁分开或接近至一定距离后,引起开关的通断从而感应物体位置的变化或距离。
4.无待机功率消耗,密封安装,工作稳定,当光学等类的传感器因为环境恶劣而无法正常工作时,磁性传感器仍可以正常使用,安装简单易 于调整。
5.使用寿命长,内置原装进口干簧管为俄罗斯、美国、日本等,产品使用寿命可达100万次以上。克服了传统机械式开关磨损及不耐用的缺点。
6.产品密封于塑胶外壳中,具有防触点保护,安全保障性能更高
7.可为客人订制制定各种各样的标准化的适合客户应用的接近开关
8.接触方式:NO/NC/SPDT
9.多种材质选择:ABS, Nylon, PC, POM, Nylon, Kynar(PVDF), PVC, Brass or specified
东莞市圣新电子主要经营的接近开关种类有:
1、PCB插板型:DPS-11、DPS-14、DPS-16、DPS-22、DPS-24、DPS-11B、DPS-14B
2、SMD表面封裝:DPS-11-SMD、DPS-14-SMD、DPS-16-SMD
3、矩形鎖螺牙:DPS-22、DPS-23、DPS-25、DPS-30、DPS-32、DSP-40
4、柱形:DPS-01-系列、DPS-5*15、DPS-5*18、DPS-5*25、DPS-5*30、DPS-6*20、DPS-6*25、DPS-6*30
优良品质控管
产品生产流程当中在半成品以及成品皆会有100%的产品全检,确保客户所拿到的产品能够完全满足客户的要求三、产品规格图:

四、接近开关产品实物图:


五.产品电气参数:
本体材质
ABS
最大功率
10W
最大开关电压
100VDC
最小崩溃电压
200VDC
最大开关电流
0.5A
最大负载电流
1.0A
最大接觸電阻
100 mΩ
释放时间
0.4ms
动作时间
1.0ms
六.适用范围:
1.应用于跑步机,运动型自行车,按摩椅及其它体育器材来控制速度,确保安全
2.应用于门窗的安全系统
3.应用于家电,如加湿器,空调,果汁机,咖啡机,洗衣机/洗衣机;
4.应用于汽车计数器和笔记本电脑,手机,扫描仪,电熨斗,门感应系统和其它先进技术产品中
5.应用于跑步机,运动型自行车,按摩椅及其它体育器材来控制速度,确保安全
6.应用于门窗的安全系统
七、接近开关使用注意事项:
1.避免使用气动螺丝刀等对传感器十冲击及震动力的工具
2.安装表面必须平滑,没有突起物。不平的安装表面会对传感器施加应力,可能会引起内部干簧管随毁 若传感器自己30cm或以上高度跌落硬表面,其工作特性可能会改变(变坏)
3.磁场干扰:紧邻传感器存在机械,例如有电动机及螺丝线管时,可能会引起传感器特性改
变,导致误动作;将传感器置于远离该等磁场产生源装置之地方,或者加装磁屏蔽保护,可 能是必须的;紧邻传感器存在磁铁材料(例如铁板等)可能会使传感器的工作特性改变,需要对传感器的工作作出鉴定核对.4.触点保护:电感性负载;当将磁簧式接近传感器用于开关电感性负载,例如电动机继电器线圈、螺线管等,当触点打开时,它们将会遭受高电感电压的冲击,这种(瞬时)高压可能会使传感器触点损坏且显著地减少其使用寿命。因此,建议采用保护电路,例如电阻容(抑制)电路,变阻器或者位二极管。
5.电容性负数:当将干簧管式传感器用于开关电容性负载(例如电容器)、白X灯或者长电缆(缓冲器)时,触点将遭受大浪涌电流的冲击.因此建议采用诸如浪涌抑制或限流电阻器之类的保护电路。
6.操作温度:标准使用温度为80度,最高温度可达250度,SMD用于回流焊中温度可达到300度
八、产品包装实物图如下:










九、出货需知:
1.我司产品出广东省内使用速尔快递,金额可快递代收或转帐。
2.我司产品出广东省外的小件使用申通快递,大件货物使用跨越物流。
상품정보 제공고시
주문번호 GPS-23L 브랜드 새로운 세인트. 모델 GPS-23L 유형 자기 근접 스위치 시리즈 반응 빈도 1500Hz 정격 전압 DC12-24 정격 전류 100 감지 거리 15mm 제품 인증 rohs 3C 정격 전압 범위 36V 이하 국경 간 내보내기 소스가 배타적인지 여부 아니오 시리즈 자기 제어 스위치 스위치 유형 근접 스위치 -
배송/교환정보