



![R_``6AN)MRMW(]AGZVI51$J](https://cbu01.alicdn.com/img/ibank/2016/830/050/2946050038_966381819.jpg)
机械手配件
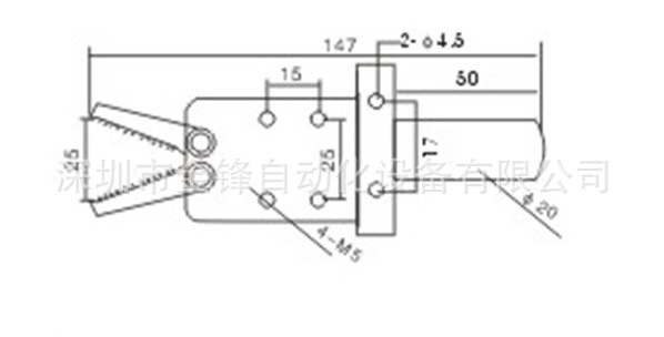
机械手配件指的是装配于注塑机机械手上面的易损耗配件。机械手配件精密性要求高,主要由硅胶、铜、铝合金、铸铁、模具钢、铁、塑胶等制造而成。
配件组成
机械手配件及耗材:各式吸盘、吸咀、金具、治具、铜头、胶片、抱具气缸、夹片、抱具配件、治具铝条、平行夹(夹具)、电磁阀、调压阀、缓冲器、磁吸开关、检测开关、真空发生器、气缸、气管、气管接头、快速接头、L固定块、不锈钢垫片、不锈钢螺丝、各式气臂、机械手金属架、金属座等。
深圳市金锋自动化设备有限公司是一家多年从事经营注塑专用成型机机械手.配件及维修..注塑机周边.中央供料系统等.节能省力设备.本公司以“品质更好.价格更实惠.服务更贴心”的宗旨。答谢新老客户一直以来的信赖与支持!
公司在日异发展中,为追求卓越,迎合市场,实现双赢。公司秉承“专业经营.以客为尊.锐意进取.创新求实.”的理念。做言行一致的人。公司同时与新老客户一起博采众家之长,研究.探讨.开发更符合客户需求省力.节能的优质产品和更全面的服务,力求为客户做得更好!
公司全体齐心协力,以满怀信心和热忱,竭诚与各界新老客户携手合作,共创辉煌!
联系方式
联系人:黄小姐
手机:13760444710
电话:0755-89985181
地址:广东省深圳市龙岗区龙东大埔南五巷8号1楼