관련상품
-
상품 상세설명









乐清市精腾电子有限公司多年来致力于高品质耳机插座和DC电源插座、AC电源插座、开关按键的生产和销售。本公司成立于2000年,占地面积2500平方米,拥有资产800万元。现有员工65名,其中:技术人员15名。
本公司主营产品:2.5耳机插座、3.5耳机插座、6.35耳机插座、DC电源插座、AC电源插座、RCA(AV)同芯插座、WP外接线插座(线夹)、各类反向反功能插座、音频视频插座、DIN-S端子、直键开关、船形开关、按键开关、轻触开关、USB插座、精密塑料小件、精密金属冲压件、汽车连接器、汽车配件、汽车卡扣等。
公司位于 旅游胜地----雁荡山南麓、 电子产品名镇,紧临G104国道,10分钟可达甬台温高速公路---乐清出口,距温州 机场仅40分钟车程,交通位置得天独厚、十分方便。 公司董事长携全体员工本着“质量为本,科技创新, 服务好”的发展宗旨,竭诚欢迎中外客户莅临指导、共商大计、合作共赢!











상품정보 제공고시
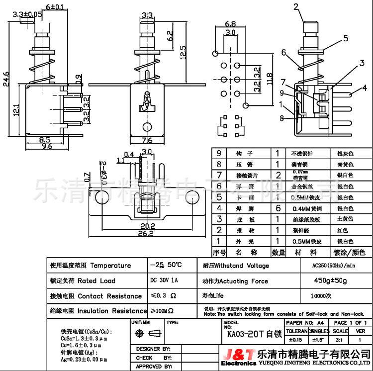
원산지 웨칭 수입할지 말지 아니요 주문 번호 A03-20T 자동 잠금/잠금 없음 상표 징텡 모델 직접 키 스위치 A03-20T 자동 잠금 최고 전압 30(볼트) 정격 가열 전류 1 접촉 저항 0.3 작동 온도 범위 -25~55 절연 저항 100 제품 인증 ROHS 맞춤형 처리 예 품목 번호 A03-20T 자동 잠금/잠금 없음 3C 정격 전압 범위 440V 이상 국경 간 수출을 위한 독점 공급원인지 여부 아니요 -
배송/교환정보