관련상품
-
상품 상세설명
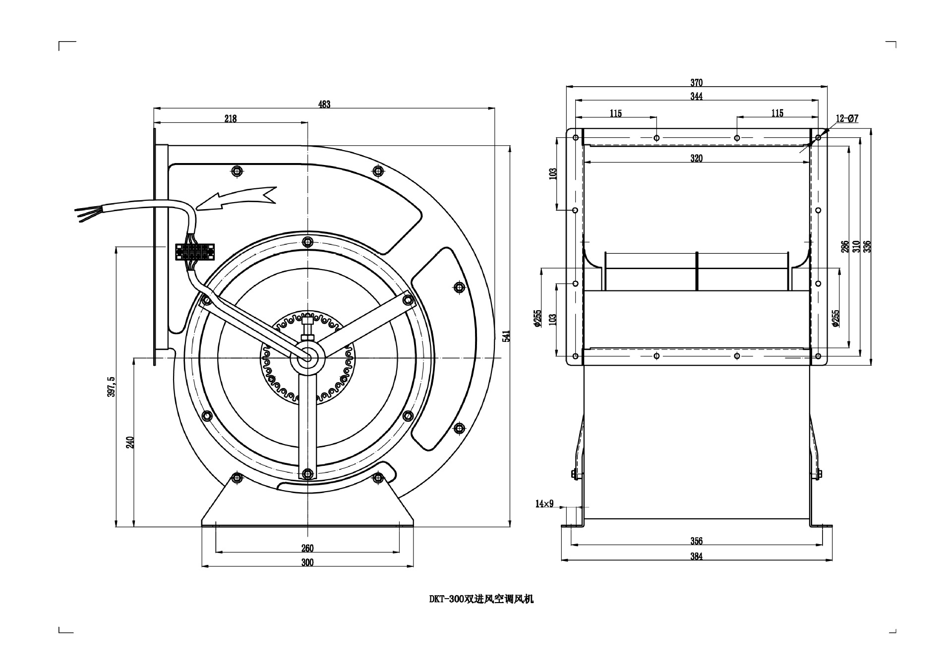
外转子离心风机DKT6E-300低噪音 双进风空调风机

其他热销产品
型号说明
DKT4D(E)-250-①②③④①DKT-外转子离心式空调风机
②电机极数:4--四极③D--三相电机、E--单相电机
④风机叶轮直径:250--叶轮直径为250mm概述
航通牌DKT系列低噪音外转子多翼式离心风机是我公司研制开发生产的新型离心风机,全部采用模具化生产,经静动平衡校正,表面采用静电喷涂处理。具有体积小、风量大、效率高、振动小、安装调试方便等优点。
该系列风机所输送的气体不允许有粘性物质,无腐蚀性,不易燃、易爆。根据电机使用条件,风机必须在环境温度-40℃~60℃之间,相对湿度不大于90%,海拔不超过1000m的条件下使用。
该系列风机广泛用于民用、工业建筑、实验室等通风换气,对噪音要求严的环境及空调、净化、冷冻行业等。使用环境:常规产品在海拔4000米以下,空气湿度少于90度,环境温度在-25度~+60度,如非常规环境下使用的产品,致电工厂定制。

风机参数




상품정보 제공고시
브랜드 행통 기류 방향 원심 팬 재료 강판 팬 압력 저압 팬 전압 220 유형 외부 로터 팬 블레이드 수 19 터빈 헤드 재료 강판 사양 및 모델 DKT6E-300 -
배송/교환정보


