관련상품
-
상품 상세설명
厂家热销 42BYGH1.8°两相步进电机 丝杆步进电机 机身长60mm

产品实拍图

1、一般技术特性:
2、技术参数:

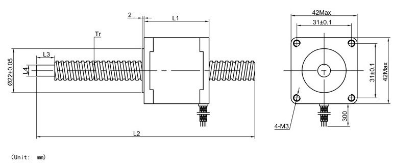
3、电机外形尺寸图
注意:可根据客户参数,尺寸要求制作电机Note: We can also manufacture products according to customer's requirements
3、材料、包装、运输、贮存:
3.1产品符合欧盟RoHS指令要求
3.2电机包装必须牢固可靠,包装箱应标有“小心轻放”、“防潮”等标志,其相应图样应符合GB191的规定.
3.2.1外包装:瓦楞纸箱
3.2.2内包装:泡沫塑料
3.3标志:FXD42H260-120-18(标在箱体外,且标示装箱数量、生产厂家等)
3.4运输:包装箱或包装盒在运输过程应小心轻拿轻放,避免碰撞和敲击,严禁与酸碱等腐蚀性物品放在一起.
3.5贮存:电机存放在环境空气-5~+40℃,相对湿度≤90%,清洁、通风良好的库房内,空气中不得含有腐蚀性气体.
4、步进电机日常维护要点:
1、要了解步进电机为什么会发热 对于各种步进电机而言,内部都是由铁芯和绕组线圈组成的。绕组有电阻,通电会产生损耗,损耗大小与电阻和电流的平方成正比,这就是我们常说的铜损,如果电流不是标准的直流或正弦波,还会产生谐波损耗;铁心有磁滞涡流效应,在交变磁场中也会产生损耗,其大小与材料,电流,频率,电压有关,这叫铁损。铜损和铁损都会以发热的形式表现出来,从而影响电机的效率。步进电机一般追求定位精度和力矩输出,效率比较低,电流一般比较大,且谐波成分高,电流交变的频率也随转速而变化,因而步进电机普遍存在发热情况,且情况比一般交流电机严重。
2、将步进电机发热控制在合理范围内 电机发热允许到什么程度,主要取决于电机内部绝缘等级。内部绝缘性能在高温下(130度以上)才会被破坏。所以只要内部不超过130度,电机便不会损坏,而这时表面温度会在90度以下。所以,步进电机表面温度在70-80度都是正常的。简单的温度测量方法有用点温计的,也可以粗略判断:用手可以触摸1-2秒以上,不超过60度;用手只能碰一下,大约在70-80度;滴几滴水迅速气化,则90度以上了;当然也可以用测温枪来检测。
3、步进电机发热随速度变化的情况 采用恒流驱动技术时,步进电机在静态和低速下,电流会维持相对恒定,以保持恒力矩输出。速度高到一定程度,电机内部反电势升高,电流将逐步下降,力矩也会下降。因此,因铜损带来的发热情况就与速度相关了。静态和低速时一般发热高,高速时发热低。但是铁损(虽然占的比例较小)变化的情况却不尽然,而电机整个的发热是二者之和,所以上述只是一般情况。
4、发热带来的影响 电机发热虽然一般不会影响电机的寿命,对大多数客户来说没必要理会。但是,严重的发热会带来一些负面影响。如电机内部各部分热膨胀系数不同导致结构应力的变化和内部气隙的微小变化,会影响电机的动态响应,高速会容易失步。又如有些场合不允许电机的过度发热,如医疗器械和高精度的测试设备等。因此对电机的发热应当进行必要的控制。
5、减少电机的发热 减少发热,就是减少铜损和铁损。减少铜损有两个方向,减少电阻和电流,这就要求在选型时尽量选择电阻小和额定电流小的电机,对两相电机,能用串联的电机就不用并联电机。
富贤达电机厂家直销优势:长寿命、低噪音、高效率、质量好、交货快、内部线圈是纯铜线圈、特殊规格可定做、正常使用下保修2年。退换货说明:产品在售出15天内,在正常使用情况下,产品性能出现问题且外观无刮伤,我们承诺直接更换新品。
签收产品时需注意事项:请买家在收到快递包裹时不要急于签收,签收前请检查包装箱内产品及配件是否齐全?首先看邮递单箱外面封条是否完整,箱子有无变形厉害、在邮寄的过程中有无磨损,再签收,一旦发现问题请当面让快递作证,单号注明签字,并立即通过快递单上的联系电话和相关工作人员获得联系!在发现货物损坏时当快递人员面立即当场与我们电联。凡签收后再联系反映问题我们是有权拒绝处理!对于需要先签收再打开包装查看的货物的快递,收货人可先签收,应当要求承运人当场监督并打开包装查看(有些快递员赶时间会要走,亲们可以把签收好的底单拿着稍候给他,让他配合等一下下,你们尽快做验收工作),如发现表面不一致,应当直接退货或者要求在签收单上加注详细情况并让承运人签字确认,并当场立即致电给我们。客户签收后由于客户自身原因(比人说订购前未看清内容介绍,型号)产生的退货,本店不予处理,还请亲们谅解。
联系电话:0519-83666368
상품정보 제공고시
원산지 우리의 회사 수입 여부 아니 브랜드 푸 시안 다 모델 FXD42H260-120-18 정격 전력 4.8 제품 유형 나사 모터 정격 전압 4 정격 전류 1.2 정격 속도 0-1000 정격 토크 0.63 차원 60 제품 인증 ROHS 적용 범위 3D 프린터, 모니터링 장비 효율성 왕왕컨설팅 3C 정격 전압 범위 36V 이하 DC 모터 유형 마이크로 모터 -
배송/교환정보