관련상품
-
상품 상세설명










苏州莱镁晟机械科技有限公司专业从事锌合金压铸、铝合金压铸、各种金属铁、不锈钢冲压、五金加工的 企事业单位,我们拥有一支专业的研发队伍,能够随时根据您的要求提供有效的方案,同时,从产品概念,产品设计,原型打样,产品性能测试到批量生产,从项目管理到供应链管理提供给您专业,灵活,可靠以及增值的服务,我们专注于工业锁闭系统的设计和研发。 我们生产高品质的锁具铰链拉手及其附件 ,精密压铸件,精密冲压件,主要应用以下行业:钣金机箱机柜,工业电力箱柜,工业通信箱柜 ,工业机械设备,汽车,特种车辆及轨道交通等领域。我公司真诚的期待海内外各界朋友的友好合作,让我们一起共创辉煌的未来!
=1
" />

상품정보 제공고시
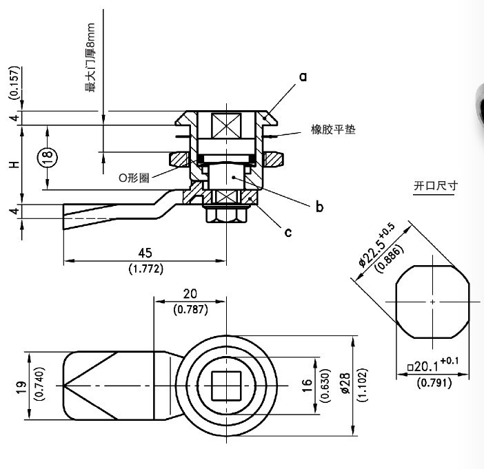
브랜드 사향 처리 사용자 정의 예 항목 번호. 001 모델 1401-038-316 재료 스테인리스 스틸 종류 직각 회전 잠금 장치 적용 범위 철도 운송, 해안 섀시 캐비닛, 장비 사양 그림 보기 국경 간 내보내기 소스가 배타적인지 여부 아니오 스타일 자세한 문의 호별 배달 여부 호별 배달 금지 설치 서비스 제공 여부 아니오 -
배송/교환정보