관련상품
-
상품 상세설명
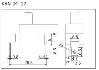
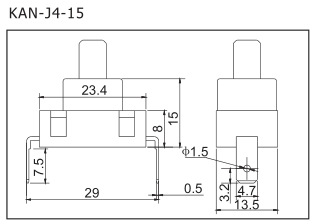
PUSH BUTTON SWITCH
KAN-J4 SERIES






Specifications Rating额定值 12(10)A 250VAC; 8(8)A 250VAC 5E4 T105 16A 250VAC T105, 16A 125VAC 8A 250VAC Function功能 Single pole on/off latched or momentary Operating Force操作力 4.5N, 5.3N, 9N Connections连接 4.7*0.8, 4.7*0.5, PCB, Soldering Approvals认证 CQC, UL, cUL, VDE, KC, TUV 



상품정보 제공고시
모델 KAN-J4 프론트 링 소재 플라스틱 작업 환경 온도 -30 ~ 100 ℃ 보호 방법 없음 제품 인증 CQC 기계 생활 100000 번 작동 압력 4.5N, 5.3N, 9N 3C 정격 전압 범위 250VAC 국경 간 수출이 독점적으로 가능한지 여부 아니 배선 모드 용접/커넥터 머리 보호 수준 없음 -
배송/교환정보