관련상품
-
상품 상세설명


运油式模温机特点
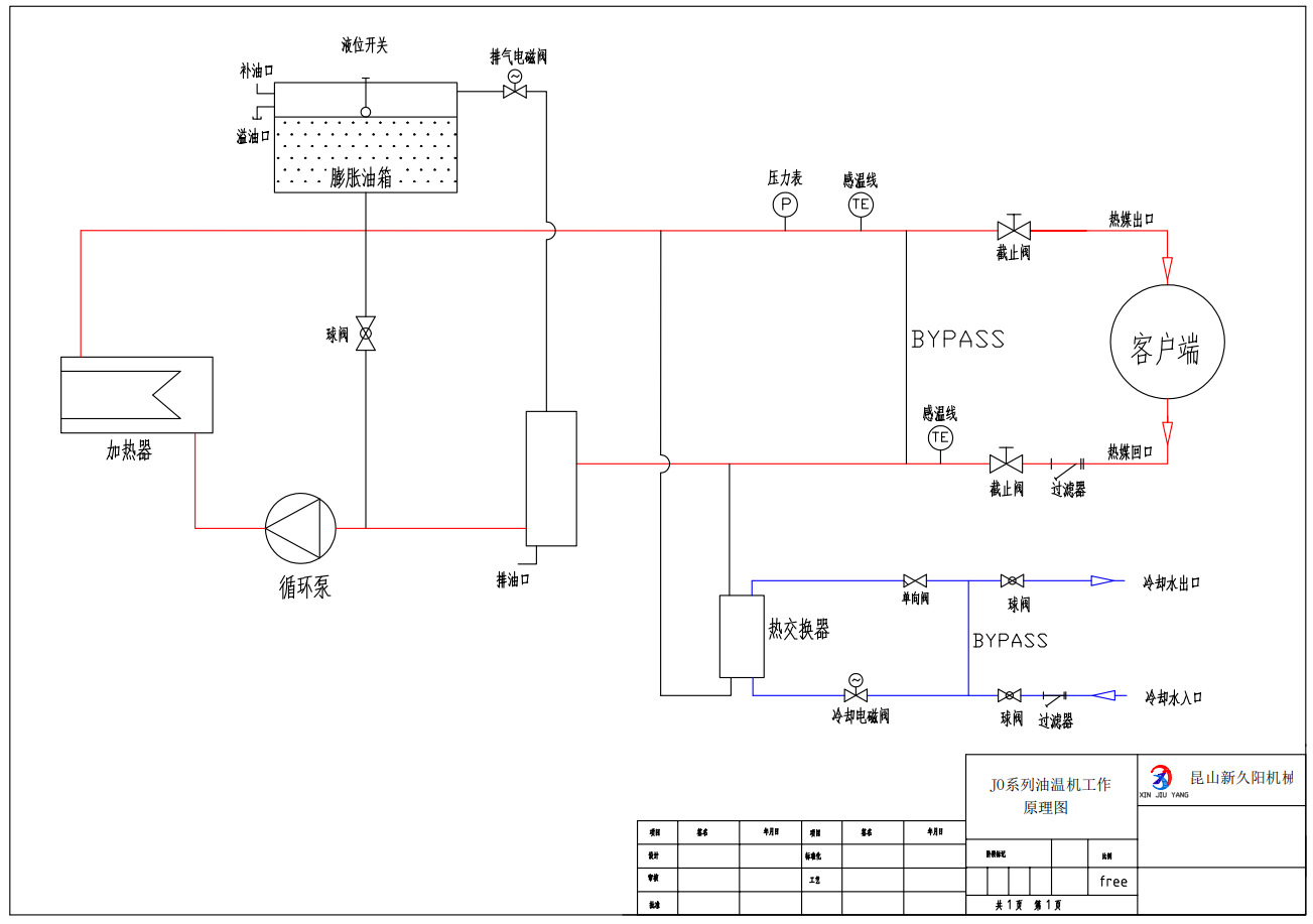
1、回油温度显示功能
2、开机自动排气功能
3、加热功率切换功能
4、热油BY-PASS泄压回路
5、多点温度控制机组可订作
6、油泵马力和加热功率可订作
7、控温精度:PID±1°C
8、隔离式电器控制箱. 延长电器使用年限
9、电器采用OMRON. FUJI. TE. LG. MOELLER. ABB. WEST.
10、温度控制范围: 进油温+15℃→350℃
11、304不锈钢或碳钢一体管路,减少管阻及锈垢
12、温度控制表采用OMRON或WEST微电脑双组P.I.D控制,触措式内储自动演算
13、安全保护完善,故障显示, 维修.保养无需专业人员机器规格
14、防爆装置(选购)
15、吹气回油功能(选购)
16、即时冷却关机功能(选购)
17、RS485通讯功能,实现自动化管理.(选购)
18、控制方式: 采用微电脑或PLC控制(选购)
运油式模温机保护装置
油循环控温机/油温机安全保护及指示系统:
1、电源欠相和相序保护2、总漏电保护开关
3、泵反转保护
4、泵过载保护
5、温度过高保护
6、管道堵塞BY-PASS洩压回路
7、温度异常保护
8、异常警报蜂鸣器
9、缺媒体保护
10、接触器卡死保护
11、压力检测(压力异常停止加热)
运油式模温机原理图

运油式模温机规格参数

......................................................................................................................................................................................................................................................................................................................................
























































































































상품정보 제공고시
주문 번호. 084 처리 사용자 정의 예 항목 번호. 084 브랜드 뉴 지우양 모델 JY-30 전원 컨설팅 온도 범위 컨설팅 전체 차원 1150X420X800mm 무게 450 사용 화학, 고무, 금형 및 기타 산업 작동 전압 220/380V 절연 저항 컨설팅 전기 강도 컨설팅 지속적인 서비스 수명 3 년 히터 유형 전기 난방 사양 JO-75-45 국경 간 내보내기 소스가 배타적인지 여부 아니오 -
배송/교환정보