관련상품
-
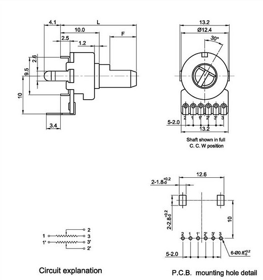
상품 상세설명



电气特性:
全阻值:500Ω-1MΩ
全阻值公差:±20%
阻抗特性型式:A,B,C,D
杂音:Less than 100mV at 20 mmc.
绝缘阻抗:More than 10MΩat DC 250V
耐电压:1 minute at AC 250V
残留阻值:Term.1~2:Less than 10ΩTerm.2~3:Less than 10Ω
同步误差(双联):-40dB~0dB±3dB
额定电压:
B线性:10mm,15mm:AC 100V 20mm,25mm:AC 200V 30mm:AC 250V
其它线性:10mm,15mm:AC 50V 20mm,25mm:AC 150V 30mm:AC 200V
额定功率(单联/双联)
B线性:10mm,15mm:0.05W/0.025W 20mm,25mm:0.1W/0.05W 30mm:0.2W/0.1W
其它线性:10mm,15mm:0.025W/0.012W 20mm,25mm:0.05W/0.025W 30mm:0.1W/0.05W
机械特性:作用力:5~200 gf.cm
中心脱出力:10~400 gf.cm
止动强度:3.0Kgf.cm Min(from the base level to a point of 2mm)
滑柄水平晃动量:2(2xL)/20mm Max.(L:Level length both sides)
水平推拉强度:3.0 Kgf Min. at 5sec.
耐久性能:
旋转寿命:10000 Cycle............................................................................................................................................................................................................................................................................................................
























































































































상품정보 제공고시
품목 번호 006 상표 SYOU 모델 RP12 준수 90% 국경 간 수출을 위한 독점 공급원이 있는지 여부 아니요 사양 RP12 해결하다 100 -
배송/교환정보