관련상품
-
상품 상세설명









本公司承诺:所以物料为原装正品,决无假冒伪劣产品。本公司为正规一般纳税人,可开增值税专用发票。
请以当时询价为准,线上产品未能及时更新,给你带来的不便尽请谅解!
深圳市润弘科技有限公司
深圳市福田区中航路国利大厦1608
电话:0755-82052894
传真:0755-82542466
Email:caofang31@yahoo.com
상품정보 제공고시
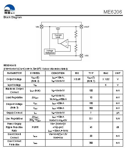
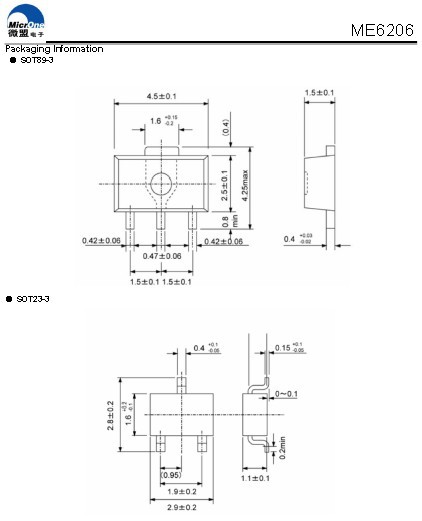
브랜드 ME 마이크로 얼라이언스 모델 ME6206A25M3G 캡슐화 SOT23-3L 배치 번호 22 + 트랜지스터 극성 . 특성 주파수 . 최대 수집기 전류 (Icm) . 컬렉터-이미 터 고장 전압 (VCEO) . 전류 증폭 계수 (hFE) . 최대 전력 방출 . 작동 온도 범위 . 설치 유형 . 응용 분야 3C 디지털 -
배송/교환정보