관련상품
-
상품 상세설명


















상품정보 제공고시
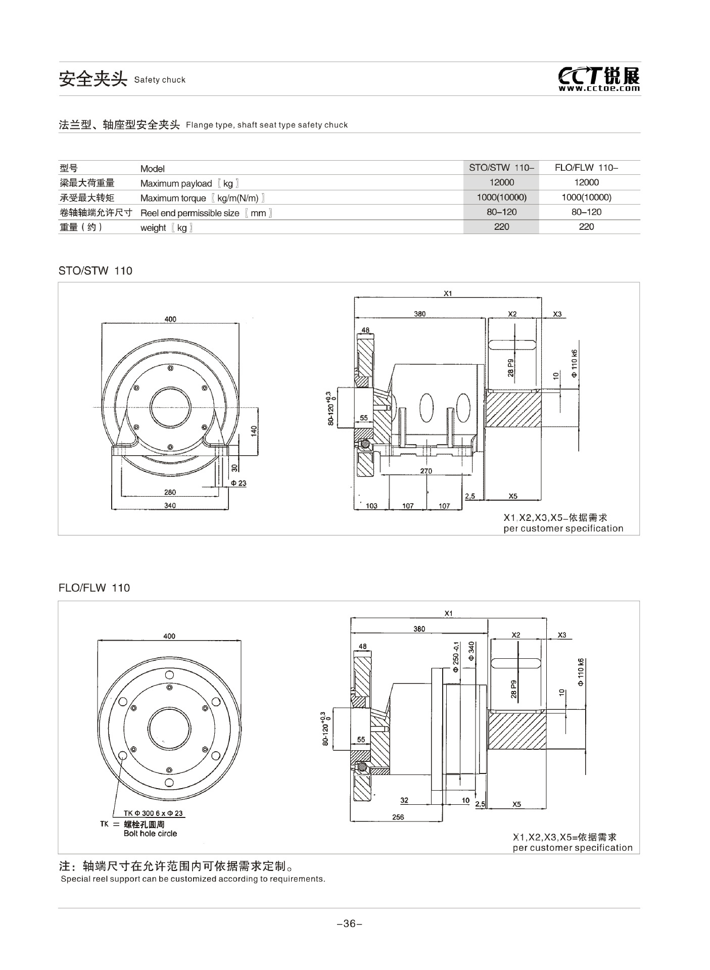
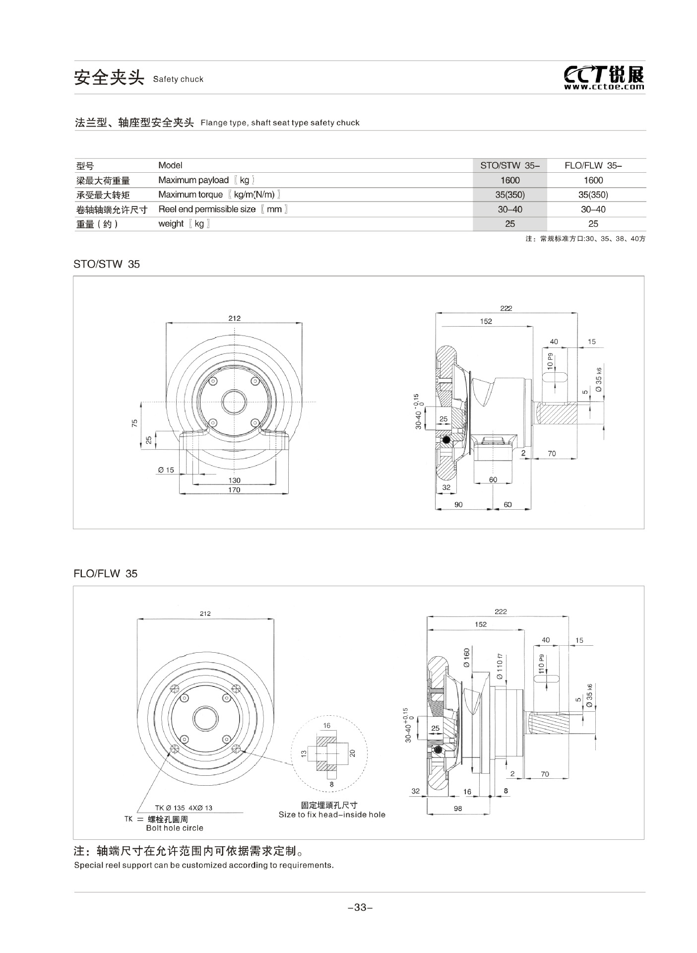
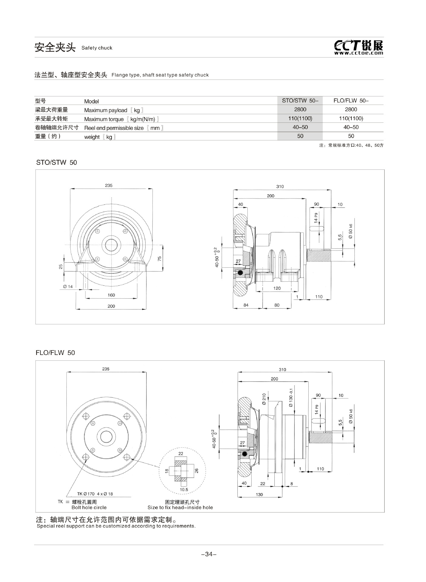
처리 사용자 정의 예 브랜드 CCT 모델 STW/STO/FLW/FLO 매개 변수 샤프트 시트 유형 플랜지 유형 유형 안전 척 판매 후 서비스 전체적인 기계를 위한 1 년 보증 사양 STO50 -
배송/교환정보


















| 처리 사용자 정의 | 예 |
|---|---|
| 브랜드 | CCT |
| 모델 | STW/STO/FLW/FLO |
| 매개 변수 | 샤프트 시트 유형 플랜지 유형 |
| 유형 | 안전 척 |
| 판매 후 서비스 | 전체적인 기계를 위한 1 년 보증 |
| 사양 | STO50 |